EasyManua.ls Logo

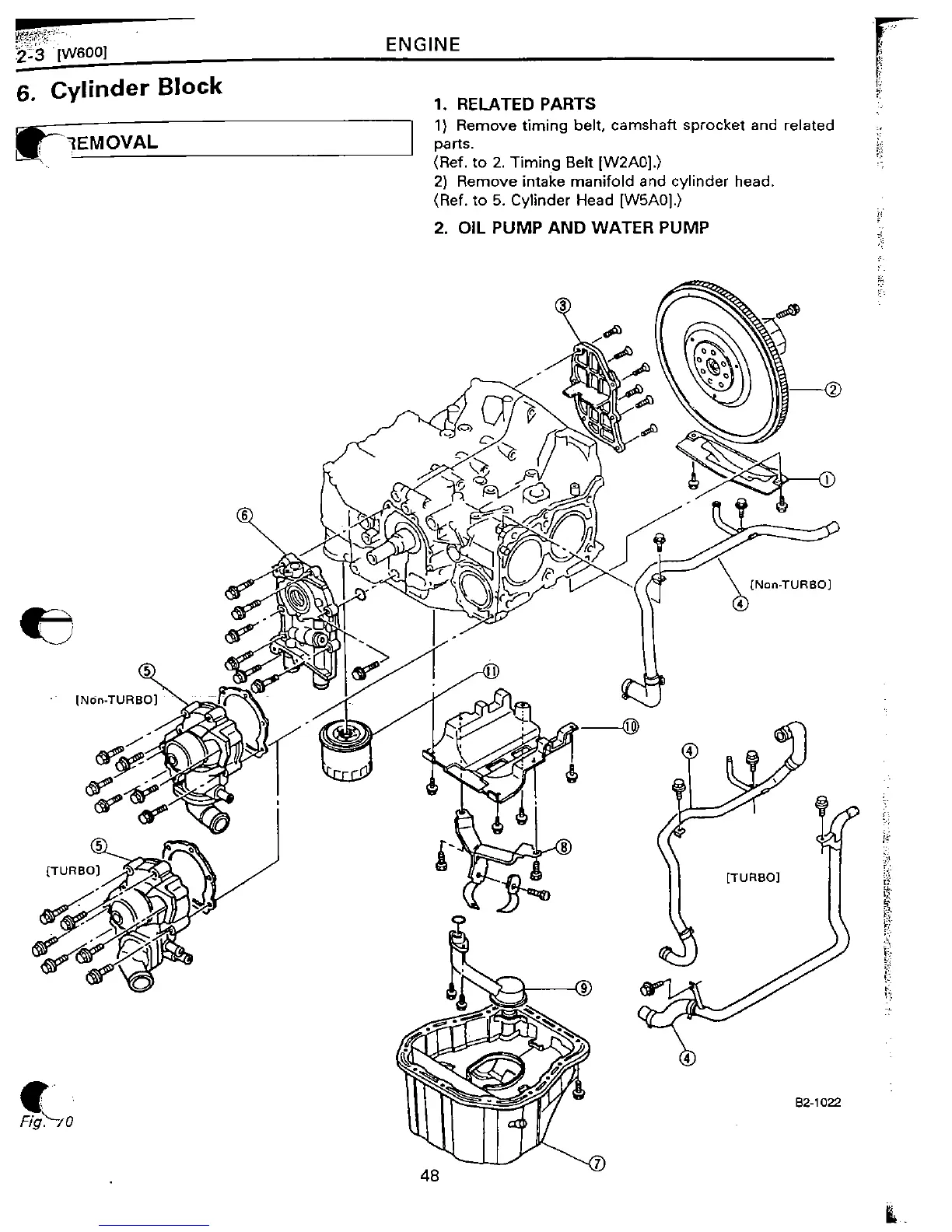
Subaru EJ22 - Cylinder Block Removal; Oil Pump and Water Pump Removal

Subaru EJ22
200 pages
Print Icon
To Next Page IconTo Next Page
To Next Page IconTo Next Page
To Previous Page IconTo Previous Page
To Previous Page IconTo Previous Page
Loading...

Table of Contents

Related product manuals