EasyManua.ls Logo

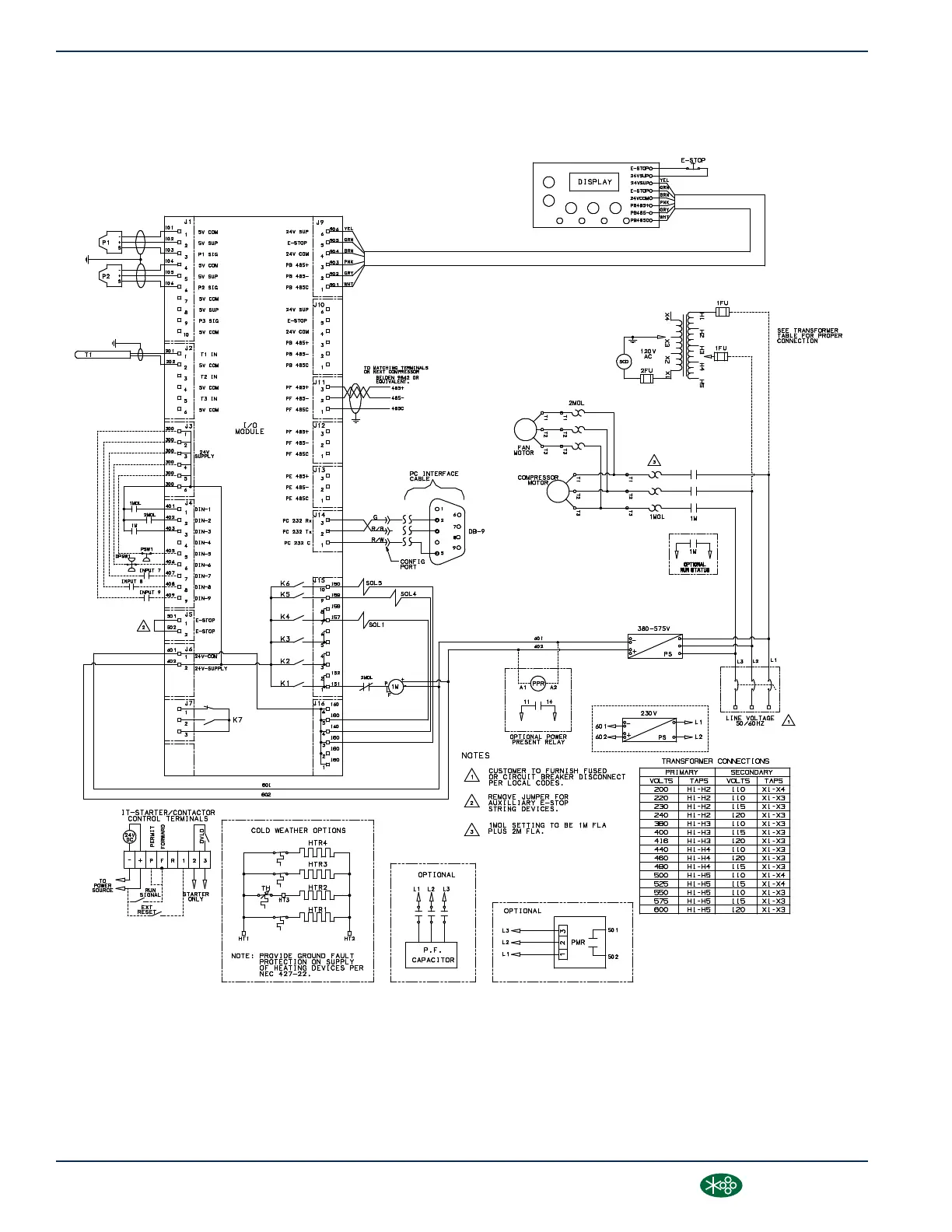
Sullair 1509e - Wiring Diagrams; Wiring Diagram, MFV

Sullair 1509e
102 pages
Print Icon
To Next Page IconTo Next Page
To Next Page IconTo Next Page
To Previous Page IconTo Previous Page
To Previous Page IconTo Previous Page
Loading...
3.7
WIRING DIAGRAMS
Wiring Diagram, MFV
02250156_577R04-1
SECTION 3
24
1100e, 1500e, 1800e Operator’s Manual and Parts List
®SULLAIR®

Table of Contents

Other manuals for Sullair 1509e

Related product manuals