EasyManua.ls Logo

Sullair 1509e - Compressor, Frame and Drive

Sullair 1509e
102 pages
Print Icon
To Next Page IconTo Next Page
To Next Page IconTo Next Page
To Previous Page IconTo Previous Page
To Previous Page IconTo Previous Page
Loading...
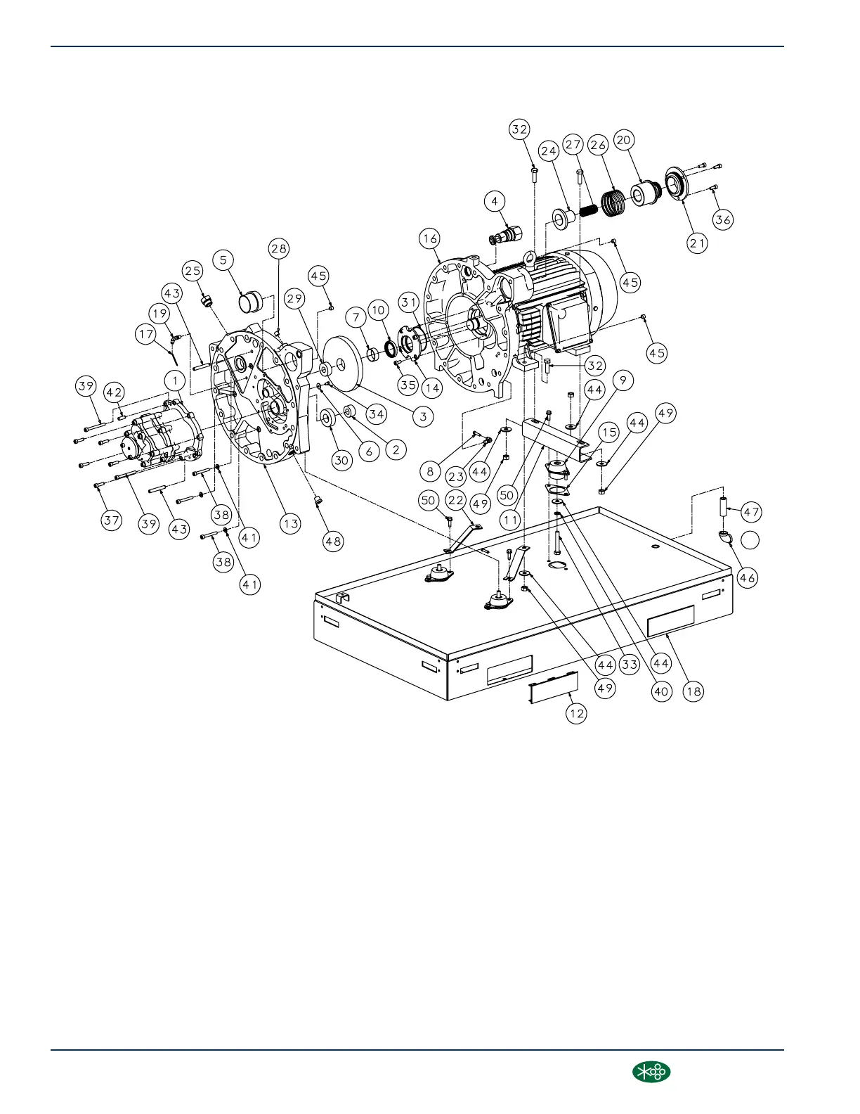
7.3
COMPRESSOR, FRAME AND DRIVE
A1
02250157-804R04
SECTION 7
50
1100e, 1500e, 1800e Operator’s Manual and Parts List
®SULLAIR®

Table of Contents

Other manuals for Sullair 1509e

Related product manuals