EasyManua.ls Logo

Sullair 2200 - Piping and Instrumentation, Air-Cooled

Sullair 2200
70 pages
To Next Page IconTo Next Page
To Next Page IconTo Next Page
To Previous Page IconTo Previous Page
To Previous Page IconTo Previous Page
Loading...
1800-3000 USER MANUAL SECTION 3
36
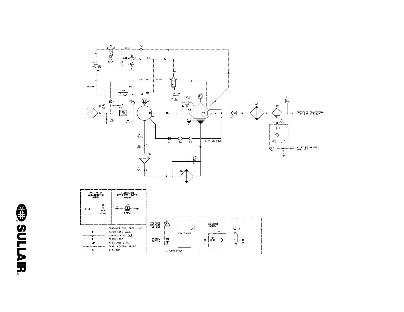
3.9 PIPING AND INSTRUMENTATION, AIR-COOLED
02250156-114-R10

Related product manuals