EasyManua.ls Logo

Sullair 2200 - Wiring Diagram-YD CE

Sullair 2200
70 pages
To Next Page IconTo Next Page
To Next Page IconTo Next Page
To Previous Page IconTo Previous Page
To Previous Page IconTo Previous Page
Loading...
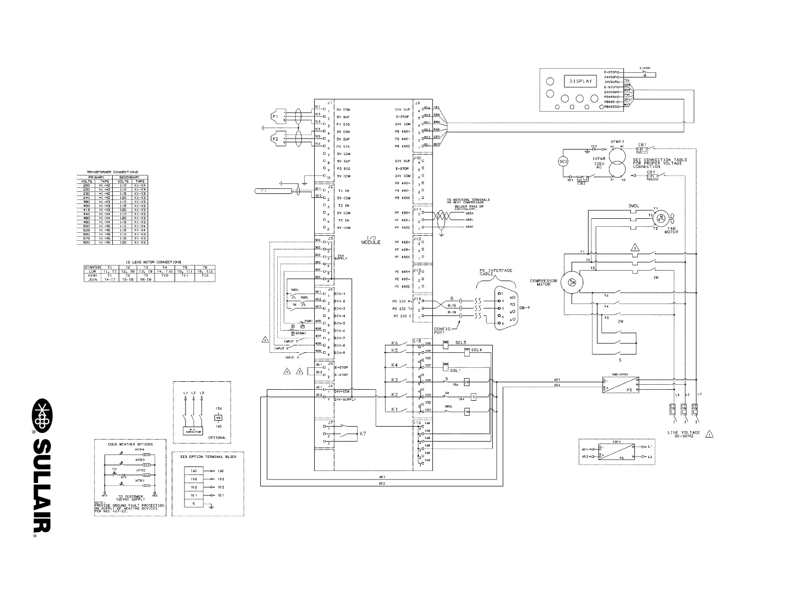
1800-3000 USER MANUAL SECTION 3
48
3.15 WIRING DIAGRAM—YD CE
02250178-718-R00

Related product manuals