EasyManua.ls Logo

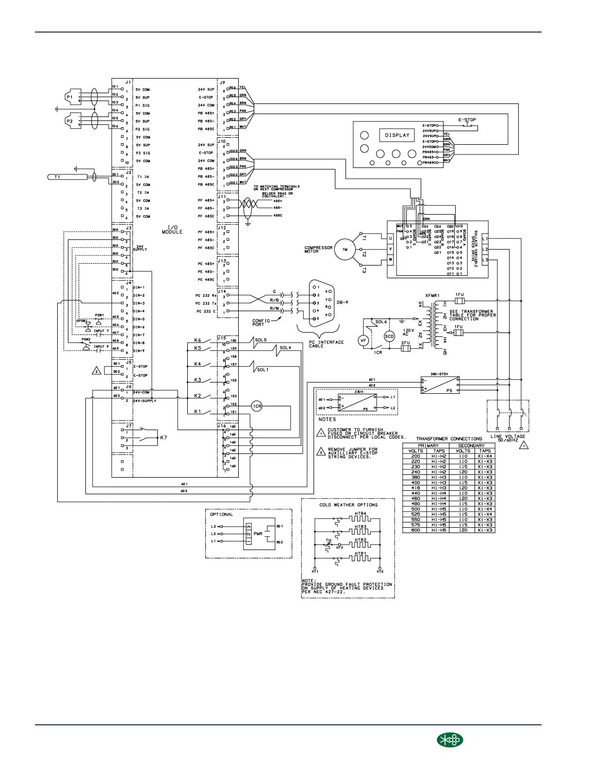
Sullair 4510 - Wiring Diagram, VSD Water-Cooled, Series Delta 575 V

Sullair 4510
146 pages
To Next Page IconTo Next Page
To Next Page IconTo Next Page
To Previous Page IconTo Previous Page
To Previous Page IconTo Previous Page
Loading...
3.18
WIRING DIAGRAM, VSD WATER-COOLED, SERIES DELTA 575V
02250164_732r01-1
SECTION 3
48
3000-4500 Operator’s Manual and Parts List
®SULLAIR®

Table of Contents

Other manuals for Sullair 4510

Related product manuals