EasyManua.ls Logo

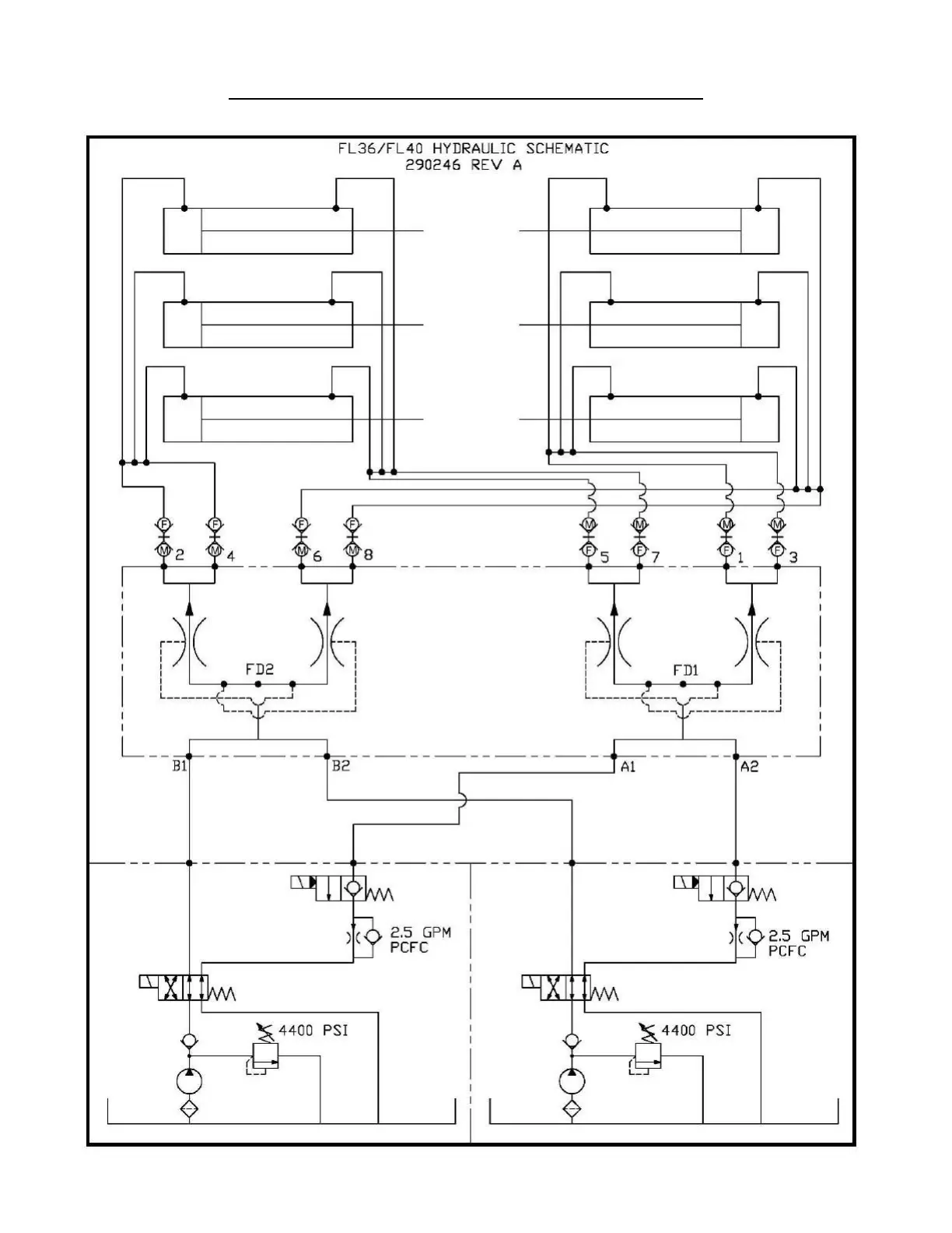
Sunstream FL-24020D - FL36;GFL36 & FL40;GFL40 Hydraulic Schematic

Sunstream FL-24020D
36 pages
Print Icon
To Next Page IconTo Next Page
To Next Page IconTo Next Page
To Previous Page IconTo Previous Page
To Previous Page IconTo Previous Page
Loading...
PART NO. 690809 REV: A 32
FL36/GFL36 & FL40/GFL40 Hydraulic Schematic

Related product manuals