EasyManua.ls Logo

SUNWARD SWE50B - Circuit Diagram

SUNWARD SWE50B
196 pages
Print Icon
To Next Page IconTo Next Page
To Next Page IconTo Next Page
To Previous Page IconTo Previous Page
To Previous Page IconTo Previous Page
Loading...
176
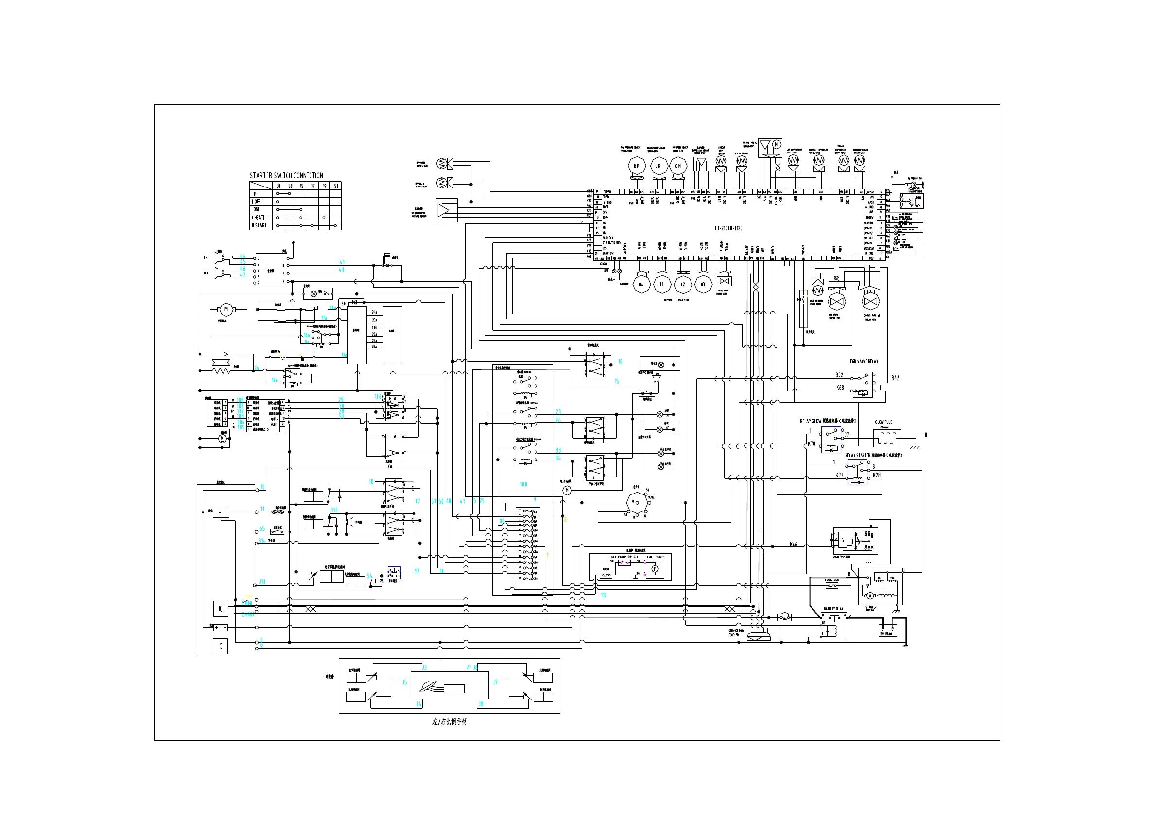
6.9.4 Circuit Diagram

Table of Contents

Related product manuals