EasyManua.ls Logo

Sven HT-475 - Ïîäêëþ×Åíèå Àñ; Ïîäêëþ×Åíèå Èñòî×Íèêîâ Ñèãíàëà; Ïîäêëþ×Åíèå Êîëîíîê; Ðàáîòà Ñèñòåìû

Sven HT-475
20 pages
Print Icon
To Next Page IconTo Next Page
To Next Page IconTo Next Page
To Previous Page IconTo Previous Page
To Previous Page IconTo Previous Page
Loading...
6. ÏÎÄÊËÞ×ÅÍÈÅ ÀÑ
Ïðåäóïðåæäåíèå!
Ïåðåä ïîäêëþ÷åíèåì âñå êîìïîíåíòû
ñèñòåìû äîëæíû áûòü âûêëþ÷åíû. Ïîñëå
ïîäêëþ÷åíèÿ âñå êëåììû äîëæíû áûòü
õîðîøî çàæàòû.
6.1. Ïîäêëþ÷åíèå èñòî÷íèêîâ ñèãíàëà
Äëÿ ïîäêëþ÷åíèÿ èñòî÷íèêîâ ñòåðåîñèãíàëà
èñïîëüçóéòå òîëüêî RCA-ðàçúåìû
(«òþëüïàíû»). Óáåäèòåñü â ïðàâèëüíîñòè
ïîäñîåäèíåíèÿ ëåâîãî è ïðàâîãî êàíàëîâ.
Ëåâûé RCA-ðàçúåì äîëæåí áûòü âñòàâëåí â
ëåâûé ðàçúåì óñèëèòåëÿ (áåëîãî öâåòà), à
ïðàâûé RCA-ðàçúåì — â ïðàâûé ðàçúåì
óñèëèòåëÿ (êðàñíîãî öâåòà).
6.2. Ïîäêëþ÷åíèå êîëîíîê
Ïðåäóïðåæäåíèå!
Íå çàìûêàéòå ìåæäó ñîáîé êîíöû
àêóñòè÷åñêîãî êàáåëÿ.
Âñåãäà ñîáëþäàéòå ïîëÿðíîñòü. Ïëþñîâîé
àêóñòè÷åñêèé ïðîâîä ïîäñîåäèíèòå
ê ïëþñîâîé êëåììå óñèëèòåëÿ, ìèíóñîâîé
àêóñòè÷åñêèé ïðîâîä ïîäñîåäèíèòå
ê ìèíóñîâîé êëåììå óñèëèòåëÿ.
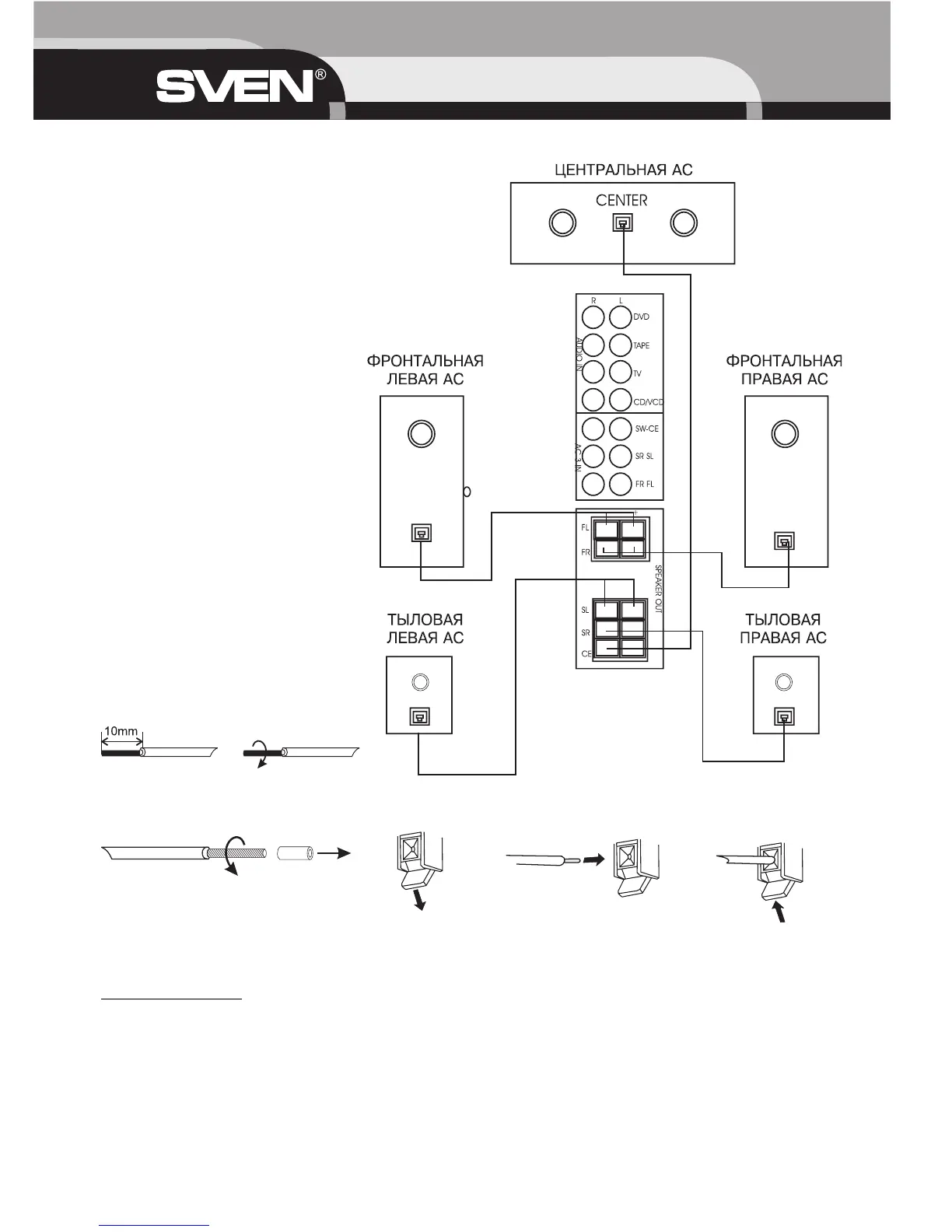
Ïîäêëþ÷åíèå àïïàðàòóðû ê óñèëèòåëþ
ïðîâîäèòå â ñîîòâåòñòâèè ñ ðèñóíêîì 4.
Äëÿ ëó÷øåãî ñîåäèíåíèÿ êîíöîâ êàáåëÿ
ñ êëåììîé èëè çàæèìîì ñíèìèòå 10 ìì
èçîëÿöèè ñ êîíöà êàáåëÿ è ñêðóòèòå åãî, êàê
ïîêàçàíî íà ðèñóíêå 5.
Äëÿ ïîäêëþ÷åíèÿ êàáåëÿ îòêðîéòå çàæèì, âñòàâüòå â îòâåðñòèå çàæèìà êîíåö êàáåëÿ è îòïóñòèòå ïðóæèíó çàæèìà.
Ïîäêëþ÷åíèÿ àêóñòè÷åñêîé ñèñòåìû ê óñèëèòåëþ ïðîâîäèòå â ñîîòâåòñòâèè ñ ðèñóíêîì 6.
7. ÐÀÁÎÒÀ ÑÈÑÒÅÌÛ
Âêëþ÷åíèå ñàáâóôåðà
Ïîäêëþ÷èòå êàáåëü ïèòàíèÿ ê ñåòåâîé ðîçåòêå, âêëþ÷èòå âûêëþ÷àòåëü (14) íà çàäíåé ïàíåëè ñàáâóôåðà. ×åðåç íåñêîëüêî
ñåêóíä èíäèêàòîð êíîïêè (1) íà ïåðåäíåé ïàíåëè ñàáâóôåðà çàñâåòèòñÿ êðàñíûì öâåòîì. Íàæàòèå êíîïêè (1) ïðèâåäåò ê
âêëþ÷åíèþ ñèñòåìû, à äèñïëåé óñòðîéñòâà çàñâåòèòñÿ ãîëóáûì öâåòîì.
Ïîñëå âêëþ÷åíèÿ ñèñòåìû íà ýêðàíå äèñïëåÿ âûñâåòèòñÿ:
Íàäïèñü CD/VCD, åñëè ïîäêëþ÷åí ïðîèãðûâàòåëü CD/VCD
Íàäïèñü NORMAL, åñëè âêëþ÷åí ðåæèì STEREO
Íàäïèñü -30 dB íà èíäèêàòîðå (20) óêàçûâàåò, ÷òî ãðîìêîñòü ñîîòâåòñòâóåò 1/4 îáùåãî óðîâíÿ ãðîìêîñòè.
8
ÈÍÑÒÐÓÊÖÈß ÏÎ ÝÊÑÏËÓÀÒÀÖÈÈ
Ðèñ. 4.Ðèñ. 5.
Ðèñ. 6.

Related product manuals