EasyManua.ls Logo

swaploader SL-160 - Page 80

swaploader SL-160
94 pages
Print Icon
To Next Page IconTo Next Page
To Next Page IconTo Next Page
To Previous Page IconTo Previous Page
To Previous Page IconTo Previous Page
Loading...
Section V: Parts
5.0.PAR.SL-160
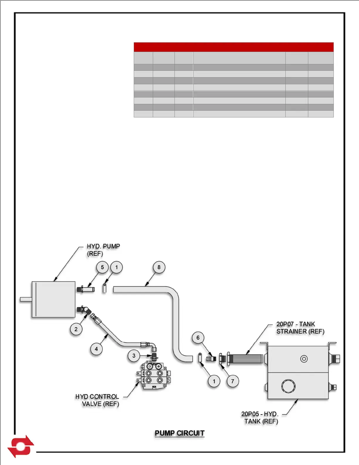
90H91 – PUMP CIRCUIT SL-160
ITEM
PART
#
QTY DESCRIPTION
WT-
lb/ea.
WT-
lb/all
1
10P21
2
T-Bolt Clamp - 1-1/2 Dia
0.10
0.20
2
10P32
1
Adp Hyd 10MJ/12MB 45
0.30
0.30
3
10P35
1
Adp Hyd 10MJ/12MB
0.30
0.30
4
10P61
1
Hose Assy 106 08-10FJ/10FJ90
3.80
3.80
5 12P18 1 Adp Hyd 16HB/16MB 0.40 0.40
6
12P19
1
Adp Hyd 10HB/10MP
0.3
0.30
7
12P20
1
Adp Hyd 20MP/16FP
0.30
0.30
8
12P28
1
Hose 1 X 120 LP
6.60
6.60
5-10

Related product manuals