EasyManua.ls Logo

swaploader SL-160 - Hose Circuit, 3-Section (EHV)

swaploader SL-160
94 pages
Print Icon
To Next Page IconTo Next Page
To Next Page IconTo Next Page
To Previous Page IconTo Previous Page
To Previous Page IconTo Previous Page
Loading...
VI: Options
6.0.OPT.SL
-
160
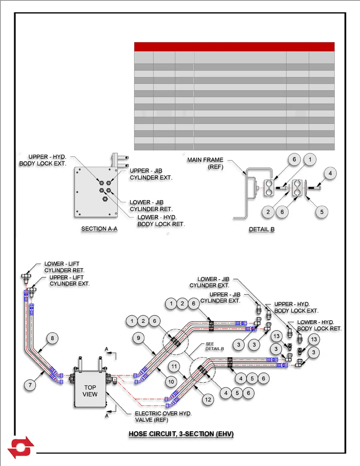
91H38 – HOSE CIRCUIT, 3-SECTION (EHV) SL-160
ITEM
PART
#
QTY DESCRIPTION
WT-
lb/ea.
WT-
lb/all
1
01P97
2
Extension Screw 5/16-18
0.03
0.03
2
01P98
2
Clamp, Ext. Plate
0.01
0.01
3
10P44
4
Adp Hyd 08MJ/08FJ90
0.30
1.20
4
10P63
2
HHCS 5/16 x 1-3/4
0.03
0.06
5
10P64
2
Cover Plate. Clamp 1/2
0.10
0.20
6
10P65
4
Clamp Assy, Twin, 7/8
0.04
0.16
7
12P53
1
Hose Assy 21 08-08FJ/08FJ45
1.26
1.26
8
12P59
1
Hose Assy 20 08-08FJ/08FJ45
1.22
1.22
9 13P25 1 Hose Assy 58 08-08FJ/08FJ45 2.72 2.72
10
13
P32
1
Hose Assy 60 08-08FJ/08FJ45
3.60
3.60
11
13P33
1
Hose Assy 63.5 08-08FJ/08FJ45
3.81
3.81
11 13P34 1 Hose Assy 66 08-08FJ/08FJ45 3.96 3.96
12 13P80 2 Adp Hyd 08MJ/08FJ 0.30 0.30
6-10

Related product manuals