EasyManua.ls Logo

swaploader SL-212 - Manual Controls, 2-Section

Default Icon
88 pages
Print Icon
To Next Page IconTo Next Page
To Next Page IconTo Next Page
To Previous Page IconTo Previous Page
To Previous Page IconTo Previous Page
Loading...
Section V: Parts
5.0.PAR.SL-212
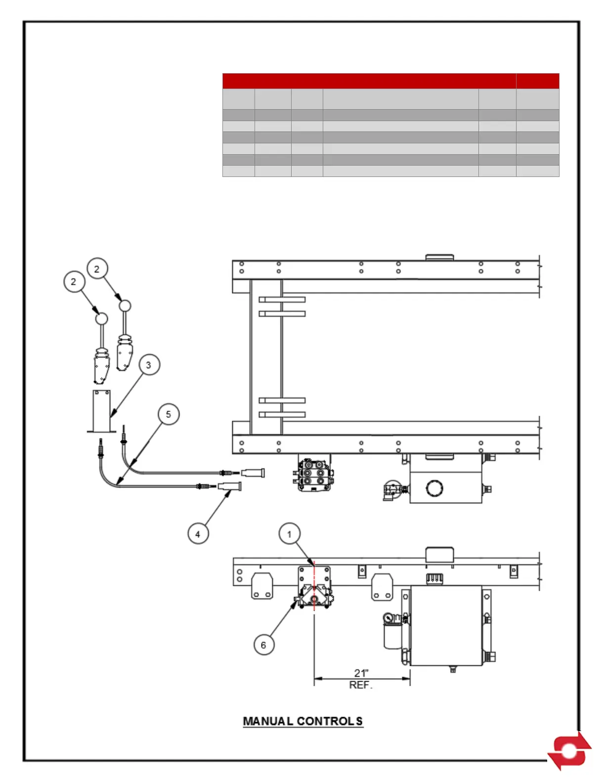
90H72 – MANUAL CONTROLS, 2-SECTION SL-212
ITEM
PART
#
QTY DESCRIPTION
WT-
lb/ea.
WT-
lb/all
1 10H51 1
Valve Mount Bracket
8.20 8.20
2 20P08 2
Control Handle, Cable
2.80 5.60
3 20P09 1
Control Console, 2 Sect
4.10 4.10
4 20P10 2
Bonnet Kit, V20
0.50 1.00
5 20P15 2
Control Cable Assy, 84" Std
1.83 3.66
6 21P32 1
Hyd Valve, V20, 2 Sect 3250
27.00 27.00
5-11

Related product manuals