EasyManua.ls Logo

Swegon casa tango - Elektrisk Koblingsskjema; Tilkoblingseffekter

Swegon casa tango
Print Icon
To Next Page IconTo Next Page
To Next Page IconTo Next Page
To Previous Page IconTo Previous Page
To Previous Page IconTo Previous Page
Loading...
NO
Med forbehold om endringer.
29
www.swegonhomesolutions.no
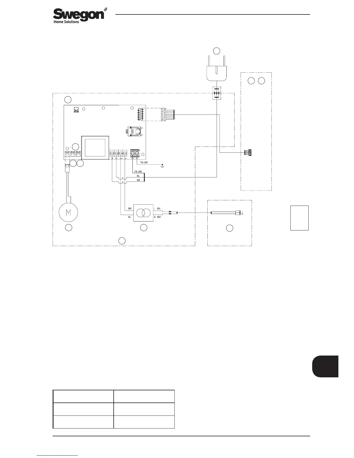
7.4 Elektrisk koblingsskjema
1S000349b
1
2
3
4
5
6
7
8
BK = Black
BL = Blue
BR = Brown
GR = Green
RD = Red
YE = Yellow
Motor
Ext in
Ext out
9
A B
1. Styrekort (60300; MP087)
2. Støpseltilkobling 230 V, 50 Hz, 0,1 A
3. Kontrollpanel med pekeskjermelektronikk
4. Kontrollpanel med knapper (Tango)
5. Spjeldmotor
6. Apparatboks
7. LED-styring
8. LED lys (4000 K)
9. Tilkoblinger for ITK03 kabel:
A) Ext in: styring av spjeldet
B) Ext out: innstillingssignaler for
spjeldet
Tilkobling, støpsel 230 V, 50 Hz, 0,1 A
Belysningseffekt: 7,5 W
Totaleffekt 15 W
7.5 Tilkoblingseffekter

Table of Contents

Other manuals for Swegon casa tango

Related product manuals