EasyManua.ls Logo

Swegon casa tango - Sähkökytkentäkaavio; Liitäntätehot

Swegon casa tango
Print Icon
To Next Page IconTo Next Page
To Next Page IconTo Next Page
To Previous Page IconTo Previous Page
To Previous Page IconTo Previous Page
Loading...
FI
Oikeus muutoksiin pidätetään.
9
www.swegonhomesolutions.fi
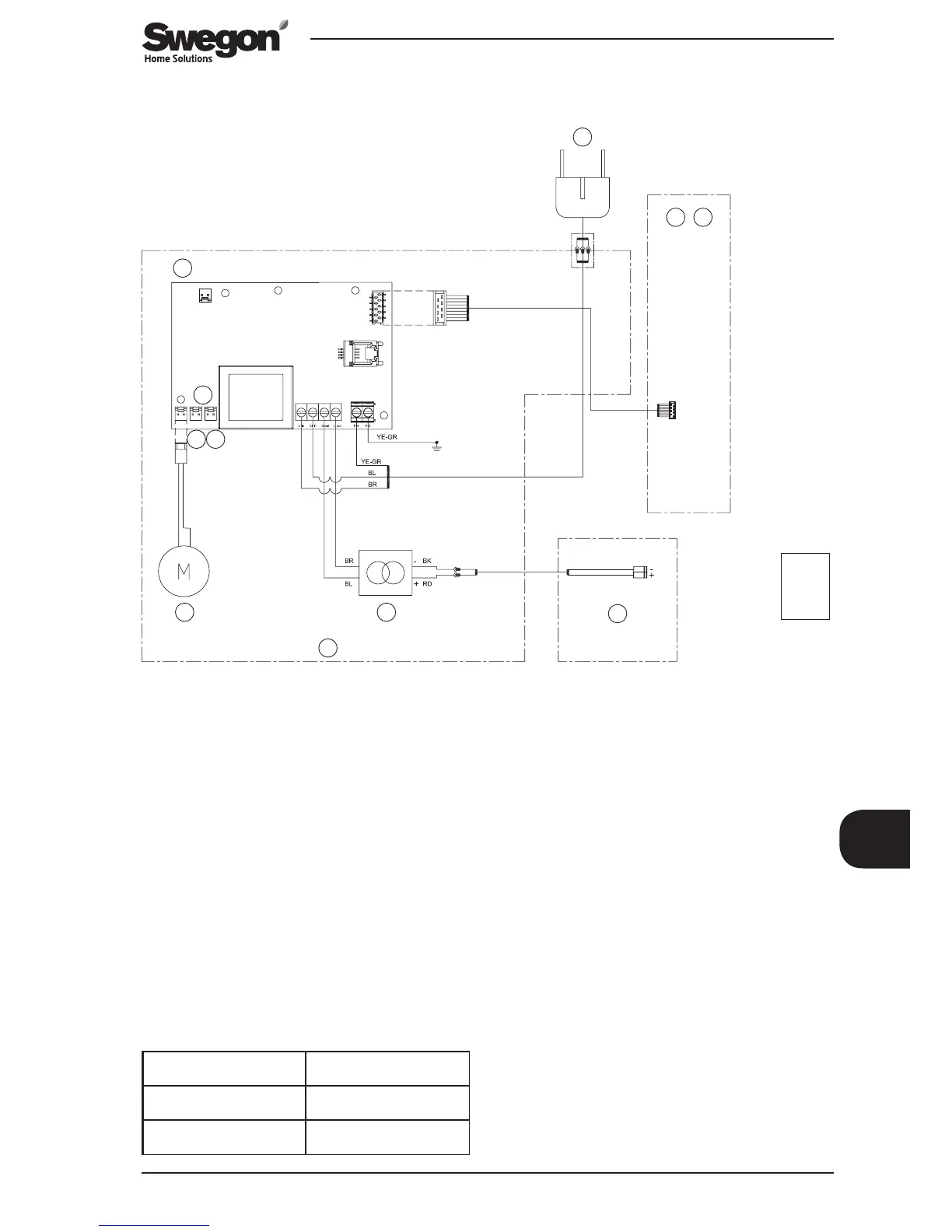
7.4 Sähkökytkentäkaavio
1S000349b
1
2
3
4
5
6
7
8
BK = Black
BL = Blue
BR = Brown
GR = Green
RD = Red
YE = Yellow
Motor
Ext in
Ext out
9
A B
1. Ohjainkortti (60300; MP087)
2. Pistotulppaliitäntä 230 V, 50 Hz, 0,1 A
3. Ohjauspaneeli kosketuselektroniikalla
4. Ohjauspaneeli painikkeilla (Tango)
5. Peltimoottori
6. Sähkölaatikko
7. LED-ohjain
8. LED-valaisin (4000 K)
9. Liittimet ITK03-kaapelille:
A) Ext in: läpän ohjaus
B) Ext out: läpän asentotieto
7.5 Liitäntätehot
Liitäntä, pistotulppa 230 V, 50 Hz, 0,1 A
Valaisinteho 7,5 W
Kokonaisteho 15 W

Table of Contents

Other manuals for Swegon casa tango

Related product manuals