EasyManua.ls Logo

Swegon GOLD PX - GOLD CX One-Piece Air Handling Unit with Coil Heat Exchangers

Swegon GOLD PX
196 pages
Print Icon
To Next Page IconTo Next Page
To Next Page IconTo Next Page
To Previous Page IconTo Previous Page
To Previous Page IconTo Previous Page
Loading...
GB.GOLDSKE.160901
www.swegon.com 7
We reserve the right to alter specifications without notice.
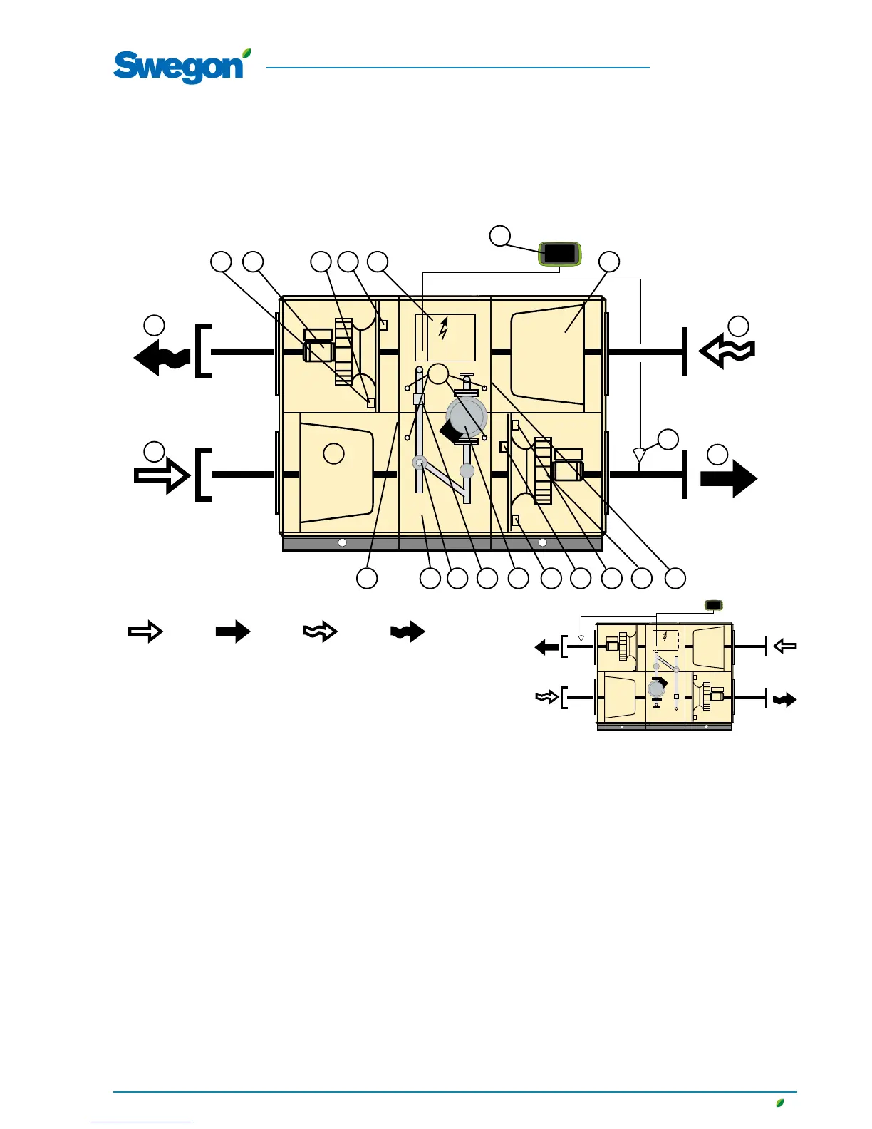
2.7.3 GOLD CX one-piece air handling unit with coil heat exchangers
The individual components are each specified below in a simplified and diagrammatical description.
Left-hand version, fan
arrangement 1
Fig 3b
Outdoor air Supply air Extract air Exhaust air
Fig. 3a
Right-hand version, fan
arrangement 1
The air handling units can be ordered in the right-hand version as
shown in Fig. 3a or in the left-hand version as shown in Fig. 3b.
The air handling unit in Fig. 3a shows Fan Arrangement 1. The
unit can also be ordered according to Fan Arrangement 2. The
fans and filters are then vertically mirror-inverted.
In the left-hand version (Fig. 3b), the components marked with
an asterisk change function and designation (the components
are named according to whether the function is for supply air or
extract air).
The arrangement of the components
and their designations
1 OUTDOOR AIR* (In left-hand version: Extract air)
2 EXHAUST AIR* (In left-hand version: Supply air)
3 Extract air fan* with motor and motor controller
4 Pressure sensor, extract air fan* (Position on function selec-
tor switch = 1)
5 Pressure sensor, supply air filter* (Position on function selec-
tor switch = 3)
6 Electrical equipm. cubicle with control unit
7 Hand-held terminal
8 Extract air filter*
10 Temperature sensor, supply air (to be mounted in supply air
duct)
11 EXTRACT AIR* (In left-hand version: Outdoor air)
12 SUPPLY AIR* (In left-hand version: Exhaust air)
13 Supply air filter*
14 Temperature sensor, outdoor air*
15 Coil heat exchanger with pipework package
16 Valve actuator
17 Temperature sensor for freeze protection
18 Circulation pump
19 Pressure sensor, supply air fan* (Position on function selector
switch = 2)
20 Pressure sensor, extract air filter* (Position on function selec-
tor switch = 4)
21 Supply air fan* with motor and motor controller
22 Temperature/relative humidity sensor, extract air*
23 Tappings for measuring pressure drop across the heat
exchanger.
24 Temperature/air density sensor, supply air.
25 Temperature/air density sensor, extract air.
2
1
35 4 6
7
10
11
12
13
14 15 2019 2221
8
1816 17
23
24
25
GOLD CX, sizes 100/120: Pipework package including control box are supplied
in unmounted condition for floor or wall mounting (accessories).

Table of Contents

Other manuals for Swegon GOLD PX

Related product manuals