EasyManua.ls Logo

Sym Mio 50 - Ignition System

Sym Mio 50
215 pages
Print Icon
To Next Page IconTo Next Page
To Next Page IconTo Next Page
To Previous Page IconTo Previous Page
To Previous Page IconTo Previous Page
Loading...
16. Electrical Equipment
16-11
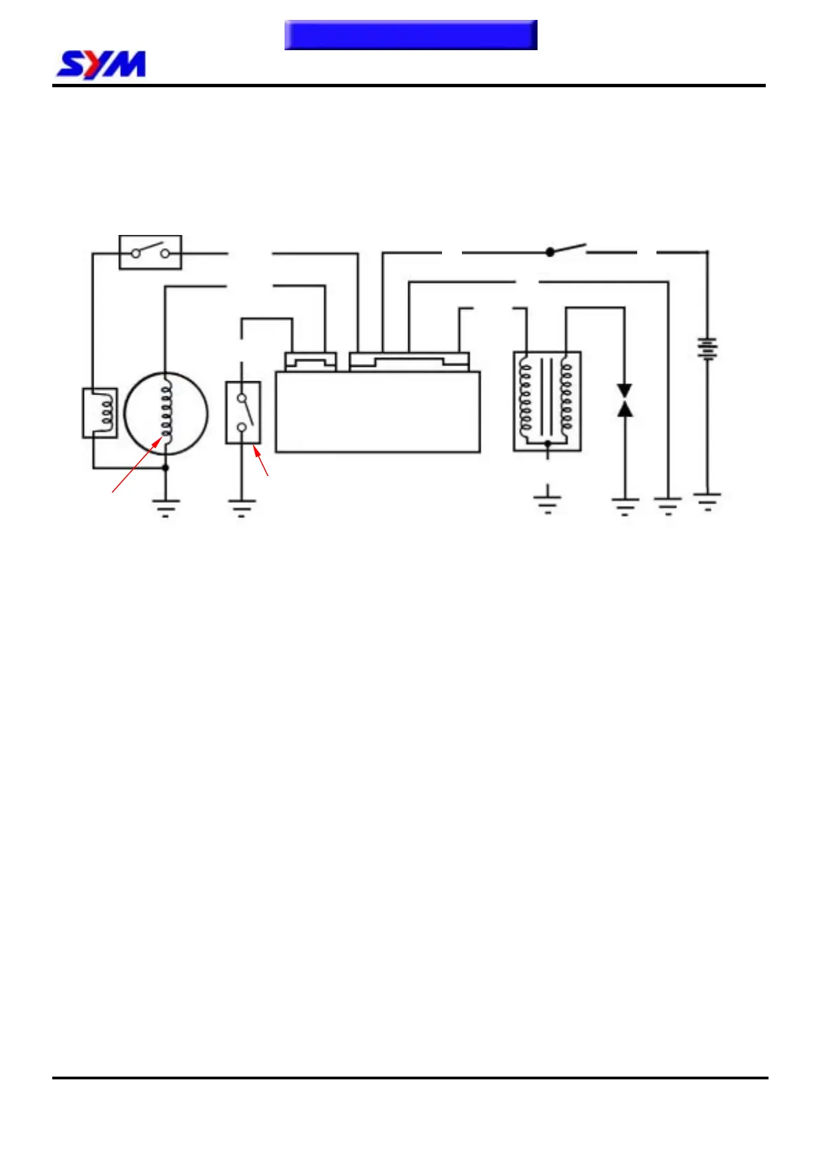
Ignition System
Ignition System Circuit
Spark plug
IGN. Coil
C.D.I Unit
G
B/Y
G
B/R
B/W
B R
Battery
Main switch
L/Y
ENG. Start control switch
W-White
Y-Yellow
G-Green
R-Red
B-Black
P-Pink
L-Blue
Main switch
Exciter coil
Alternator
Pulse Generator
To this chapter contents

Table of Contents

Related product manuals