EasyManua.ls Logo

Symphonic SC724FDF - Page 48

Symphonic SC724FDF
89 pages
Print Icon
To Next Page IconTo Next Page
To Next Page IconTo Next Page
To Previous Page IconTo Previous Page
To Previous Page IconTo Previous Page
Loading...
1-11-6
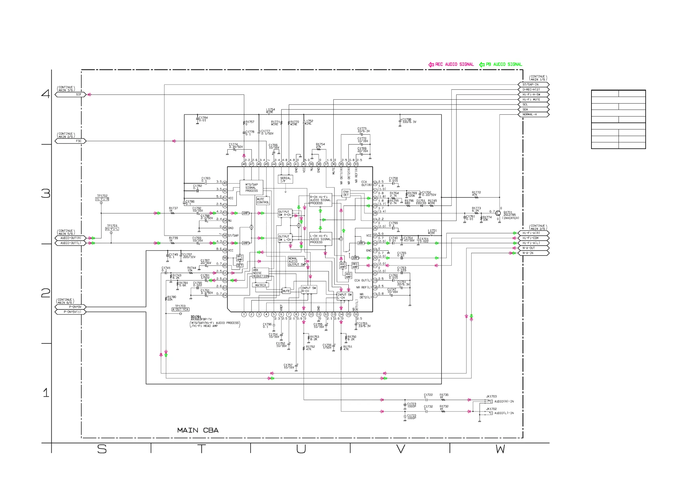
Main 4/6 Schematic Diagram < TV/VCR Section >
T2127SCM4
MAIN 4/6
Ref No. Position
IC1701 T-2
Q1701 W-3
TP1701 S-3
TP1702 S-3
TP1703 T-2
TEST POINTS
IC
TRANSISTOR

Related product manuals