EasyManua.ls Logo

Symphonic SC724FDF - Page 52

Symphonic SC724FDF
89 pages
Print Icon
To Next Page IconTo Next Page
To Next Page IconTo Next Page
To Previous Page IconTo Previous Page
To Previous Page IconTo Previous Page
Loading...
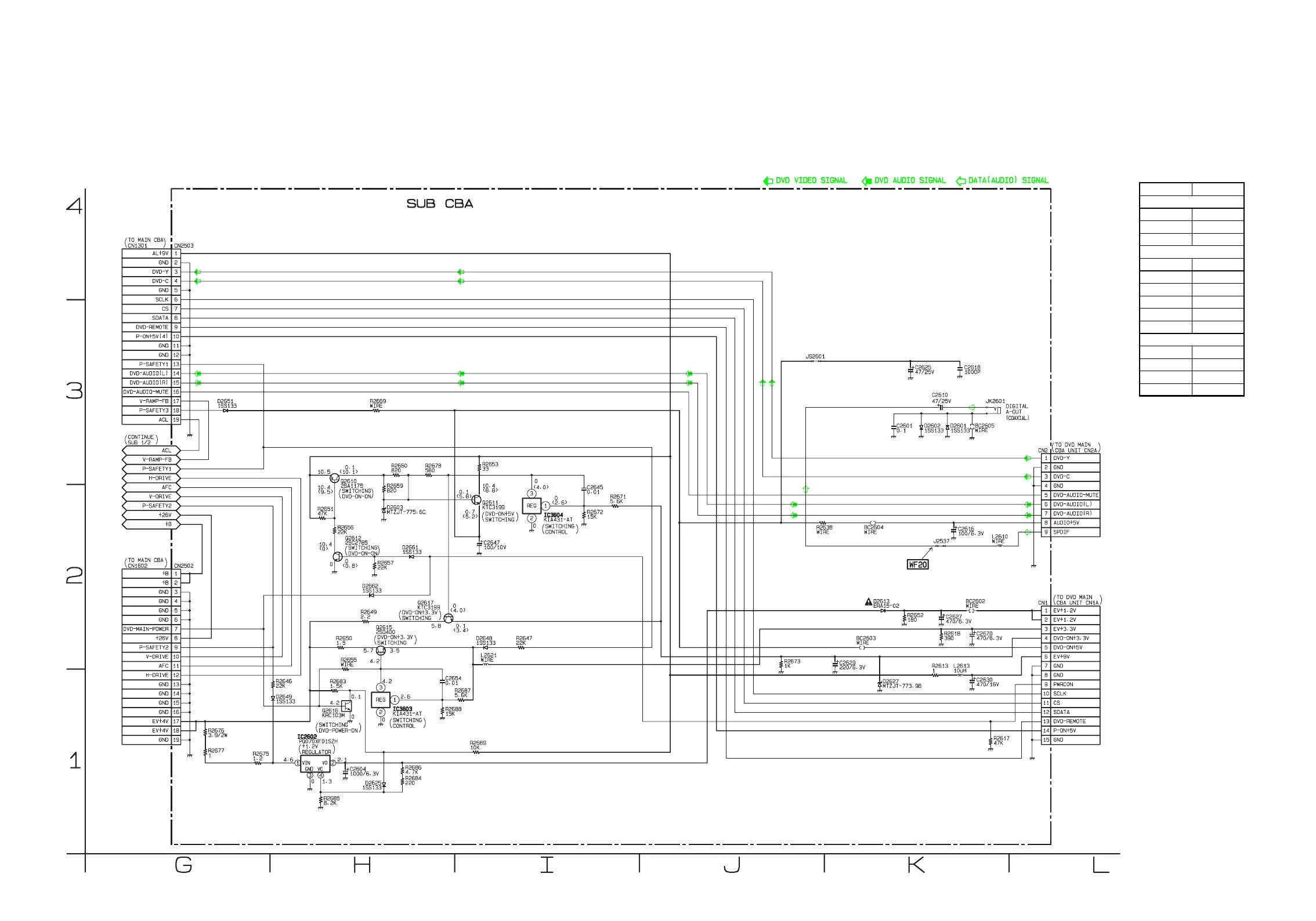
1-11-10
Sub 2/2 Schematic Diagram < TV/VCR Section >
T2127SCSUB2
SUB 2/2
Ref No. Position
IC2602 H-1
IC3603 H-1
IC3604 I-2
Q2610
H-3
Q2611
I-2
Q2612 H-2
Q2615 H-2
Q2616 H-1
Q2617 H-2
CN1 L-2
CN2 L-3
CN2502 G-2
CN2503 G-4
CONNECTORS
TRANSISTORS
ICS

Related product manuals