EasyManua.ls Logo

Symphonic SC724FDF - Page 54

Symphonic SC724FDF
89 pages
Print Icon
To Next Page IconTo Next Page
To Next Page IconTo Next Page
To Previous Page IconTo Previous Page
To Previous Page IconTo Previous Page
Loading...
1-11-12
T2127SCD1
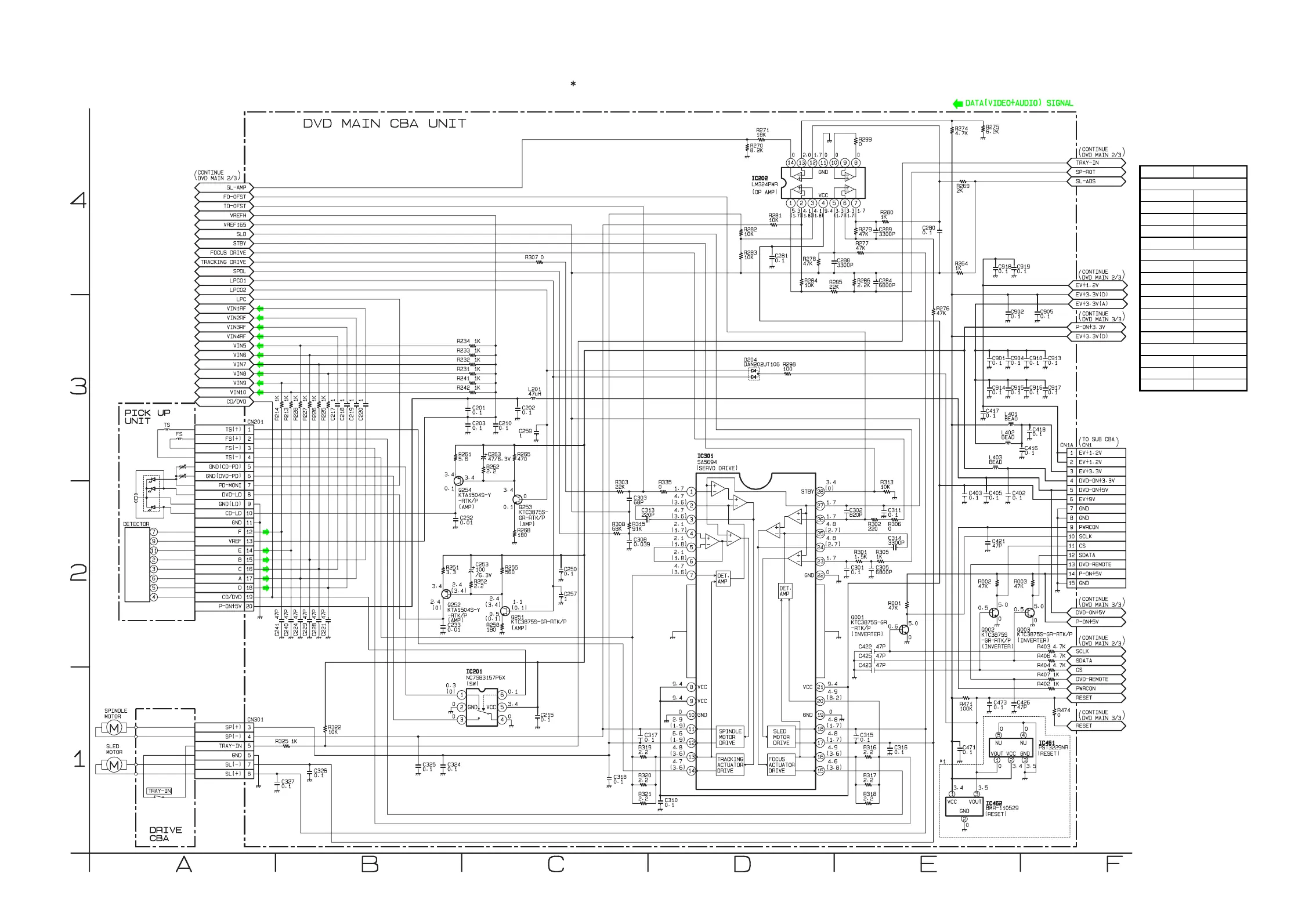
DVD Main 1/3 Schematic Diagram < DVD Section >
1 NOTE:
Either IC461 or IC462 is used for DVD MAIN CBA UNIT.
DVD MAIN 1/3
Ref No. Position
IC201 C-1
IC202 D-4
IC301 D-3
IC461 F-1
IC462 E-1
Q001 E-2
Q002 E-2
Q003 E-2
Q251 C-2
Q252 B-2
Q253 C-2
Q254 C-2
CN1A F-3
CN201 A-3
CN301 A-1
CONNECTORS
ICS
TRANSISTORS

Related product manuals