EasyManua.ls Logo

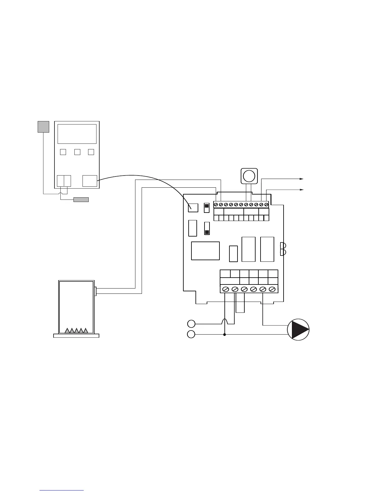
Taco ZVC404 - PC700 Boiler Reset Control Integration; PC700 Connected to SR501-EXP Switching Relay

Default Icon
104 pages
Print Icon
To Next Page IconTo Next Page
To Next Page IconTo Next Page
To Previous Page IconTo Previous Page
To Previous Page IconTo Previous Page
Loading...
PC700 Boiler Reset Control Connected to SR501-EXP Switching Relay
ZONE
CONTROL
BOIL
SEN
OUT
SEN
BOILER SENSOR
OUTDOOR
SENSOR
PC700
BOILER
SWITCH SETTINGS
Master/Slave: Master
Reset/Normal: Reset
120 VAC INPUT
SYSTEM
CIRCULATOR
POWER
T STAT
TO: "TT" ON BOILER
THERMOSTAT
NZCZRHHH
POWER
INPUT
120VAC
INPUT
120VAC
OUTPUT
CIRC
OUTPUT
PRIORITY
OUTPUT
RESET
POWER
CONTROLS
FUSE
1 AMP
NORMAL
MASTER
SLAVE
END
SWITCH
ZONE
VALVE
THERMOSTATEXPANSION
X
COM
T/WT/R
X1 12243
JUMPER
TO: OPTIONAL ZONE VALVE
OR iSeries MIXING VALVE
MODE
FUSE
5 AMP
SR 501-EXP
H
N
T
17

Table of Contents

Related product manuals