EasyManua.ls Logo

Taco ZVC404

Default Icon
104 pages
To Next Page IconTo Next Page
To Next Page IconTo Next Page
To Previous Page IconTo Previous Page
To Previous Page IconTo Previous Page
Loading...
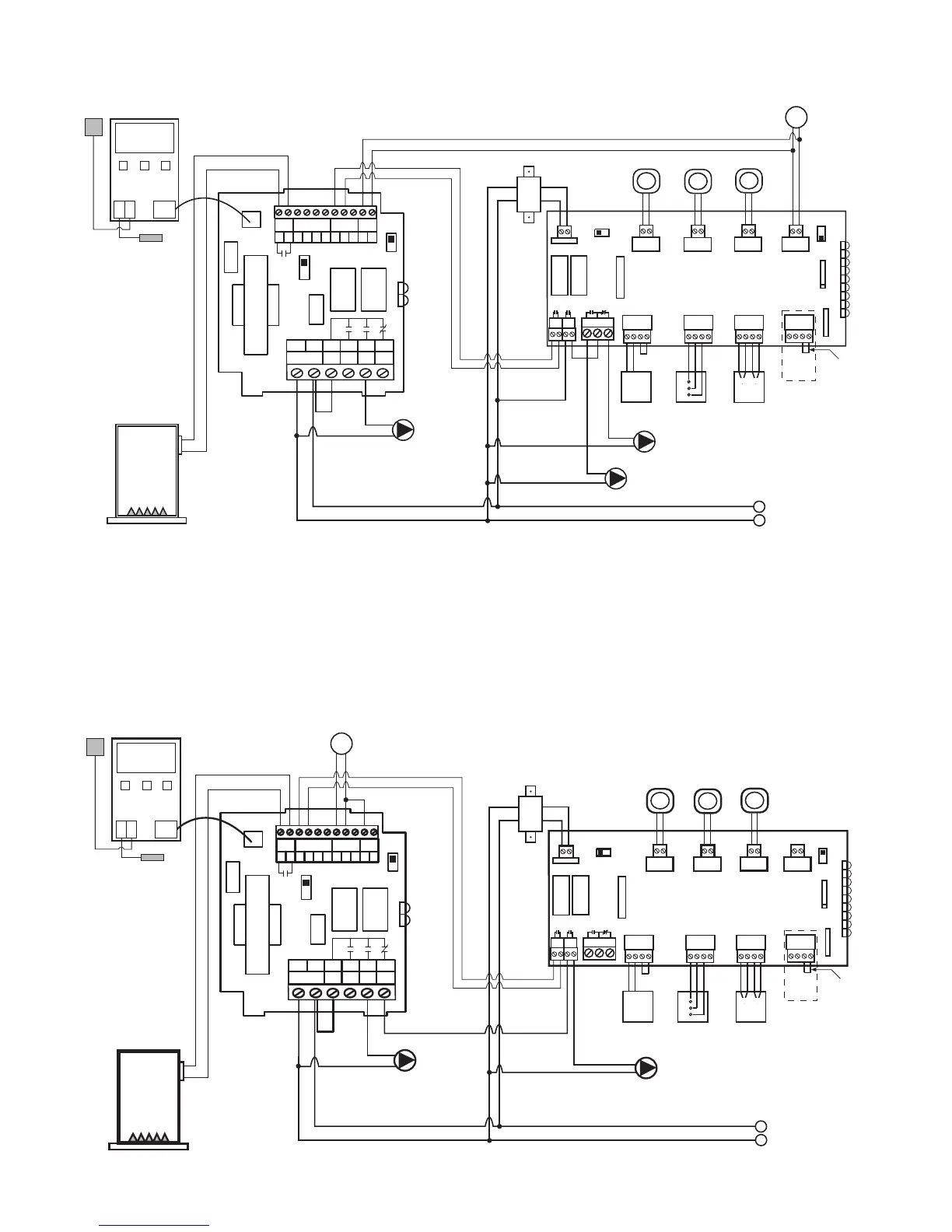
SR501-EXP and PC700 Boiler Reset Control Connected to an Existing Zone Valve Control
120 VAC
INPUT
BOILER
H
N
EXISTING
ZONE
CONTROL
PRIMARY
SYSTEM
CIRCULATOR
(Optional)
POWER
T STAT
TO: "TT" ON BOILER
END
SWITCH
RESET
OVERRIDE
THERMOSTATEXPANSION
X
COM
T/WT/R
X1 12243
JUMPER
RESET
POWER
CONTROLS
FUSE
1 AMP
NORMAL
MODE
DHW HEATER
CIRCULATOR
Note: If Zone Control comes on without a call for heat,
reverse Reset Override input (1 & 2) wires on SR501-EXP.
ZONE
CONTROL
BOIL
SEN
OUT
SEN
BOILER SENSOR
OUTDOOR
SENSOR
PC700
24 VAC
POWER IN
ZONE 2 ZONE 3 ZONE 4
MODE
NORMAL RESET
FUSE
(3 AMP MAX)
ZONE 1
TT
TT TT TT
ZONE 4
PRIORITY
OFF
ON
N/O COM
N/C
ZONE 4 RELAY
1234 1234
ZONE 1 ZONE 2
2 WIRE ZONE VALVE
(NO END SWITCH)
JUMPER
3 & 4
TACO
3 WIRE ZONE VALVE
1
2
3
1234
ZONE 3
MOTOR
END
SWITCH
4 WIRE ZONE VALVE
(POWER OPEN,
SELF CLOSING)
T STAT 1
VALVE 1
T STAT 2
VALVE 2
T STAT 3
VALVE 3
T STAT 4
VALVE 4
POWER
END
SWITCH
EXTRA
END
SWITCH
MAIN
24
VAC
FACTORY
INSTALLED
TRANSFORMER
120 VAC
INPUT
WHITE
BLACK
ZVC 404
FOUR ZONE ZONE VALVE CONTROL
WITH OPTIONAL PRIORITY
1234
ZONE 4
PRIORITY
ZONE
JUMPER
3 & 4
SEE NOTE
THERMOSTATS
T
T
T
Note: When a circulator is used on the
priority zone instead of a zone valve,
jumper 3 and 4 of the priority zone.
AQUASTAT ON
DHW HEATER
A
ZONE VALVE SYSTEM
CIRCULATOR
NZCZRHHH
POWER
INPUT
120VAC
INPUT
120VAC
OUTPUT
CIRC
OUTPUT
PRIORITY
OUTPUT
SR 501-EXP
MASTER
SLAVE
FUSE
5 AMP
K1-A
K1-B K2-A K2-A
K1 K2
Connecting a DHW Heater to an Existing Heating Only Zone Valve Control
Using an SR501-EXP and PC700 Boiler Reset Control
120 VAC
INPUT
BOILER
H
N
EXISTING
ZONE
CONTROL
DHW HEATER
CIRCULATOR
POWER
T STAT
TO: "TT" ON BOILER
END
SWITCH
RESET
OVERRIDE
THERMOSTATEXPANSION
X
COM
T/WT/R
X1 12243
JUMPER
RESET
POWER
CONTROLS
FUSE
1 AMP
NORMAL
MODE
ZONE
CONTROL
BOIL
SEN
OUT
SEN
BOILER SENSOR
OUTDOOR
SENSOR
PC700
24 VAC
POWER IN
ZONE 2 ZONE 3 ZONE 4
MODE
NORMAL RESET
FUSE
(3 AMP MAX)
ZONE 1
TT
TT TT TT
ZONE 4
PRIORITY
OFF
ON
N/O COM
N/C
ZONE 4 RELAY
1234 1234
ZONE 1 ZONE 2
2 WIRE ZONE VALVE
(NO END SWITCH)
JUMPER
3 & 4
TACO
3 WIRE ZONE VALVE
1
2
3
1234
ZONE 3
MOTOR
END
SWITCH
4 WIRE ZONE VALVE
(POWER OPEN,
SELF CLOSING)
T STAT 1
VALVE 1
T STAT 2
VALVE 2
T STAT 3
VALVE 3
T STAT 4
VALVE 4
POWER
END
SWITCH
EXTRA
END
SWITCH
MAIN
24
VAC
FACTORY
INSTALLED
TRANSFORMER
120 VAC
INPUT
WHITE
BLACK
ZVC 404
FOUR ZONE ZONE VALVE CONTROL
WITH OPTIONAL PRIORITY
1234
ZONE 4
PRIORITY
ZONE
JUMPER
3 & 4
SEE NOTE
THERMOSTATS
T
T
T
Note: When a circulator is used on the
priority zone instead of a zone valve,
jumper 3 and 4 of the priority zone.
AQUASTAT ON
DHW HEATER
A
ZONE VALVE SYSTEM
CIRCULATOR
MASTER
SLAVE
NZCZRHHH
POWER
INPUT
120VAC
INPUT
120VAC
OUTPUT
CIRC
OUTPUT
PRIORITY
OUTPUT
SR 501-EXP
MASTER
SLAVE
FUSE
5 AMP
K1-A
K1-B K2-A K2-A
K1 K2
19

Table of Contents

Related product manuals