EasyManua.ls Logo

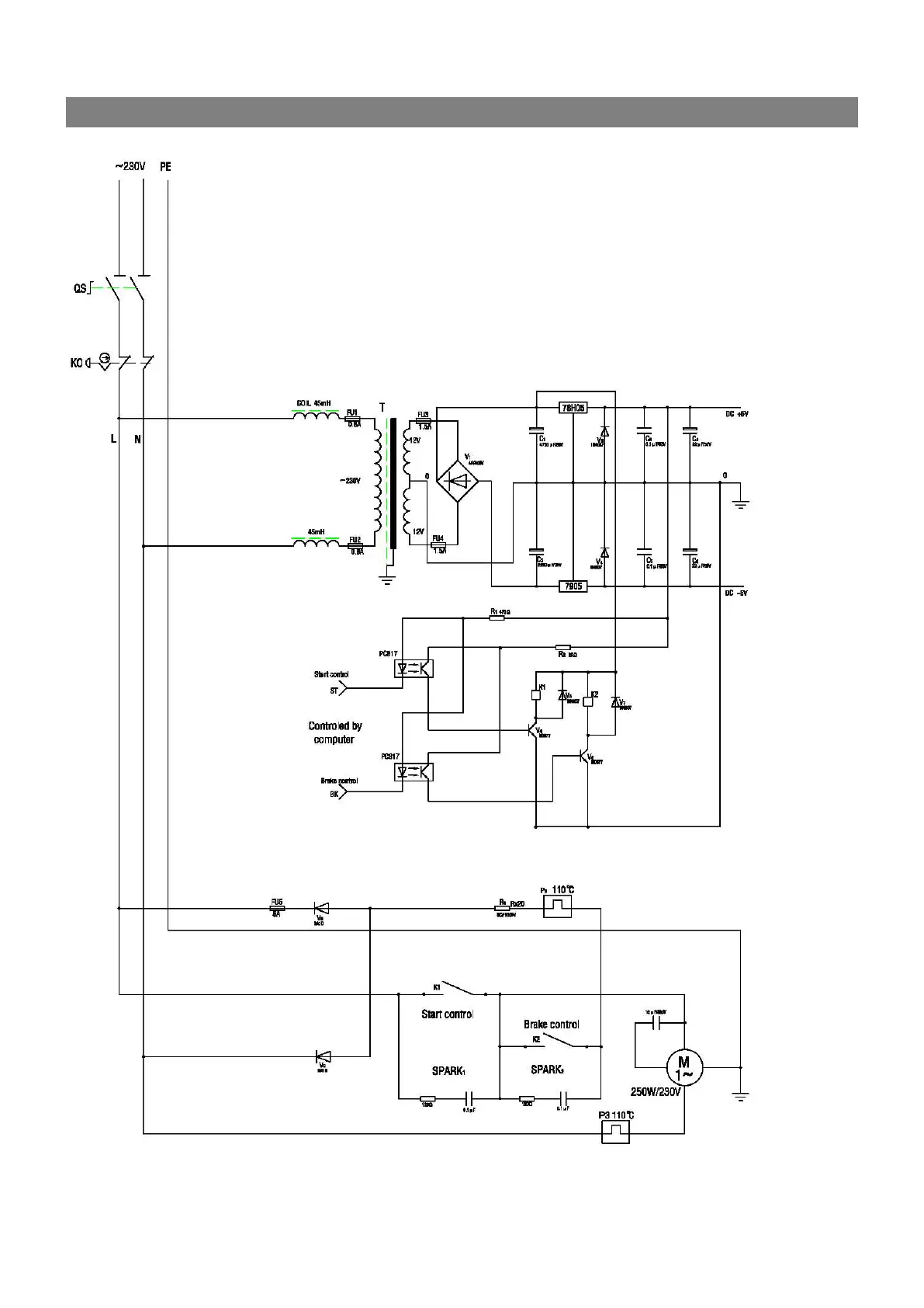
Talyn Plus 2 - Appendix 2: Electrical Circuit Scheme; Overall Circuit Diagram

Talyn Plus 2
31 pages
Print Icon
To Next Page IconTo Next Page
To Next Page IconTo Next Page
To Previous Page IconTo Previous Page
To Previous Page IconTo Previous Page
Loading...
26
APPENDIX 2 CIRCUIT SCHEME