EasyManua.ls Logo

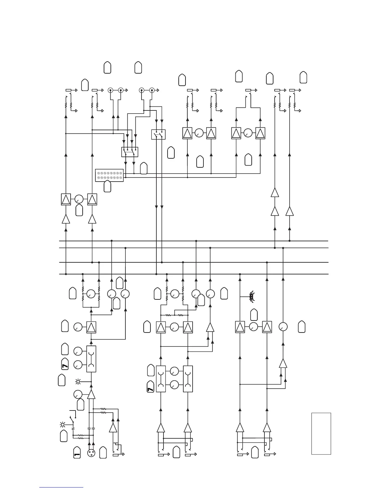
Tapco BLEND6 - Block Diagram

Tapco BLEND6
20 pages
Print Icon
To Next Page IconTo Next Page
To Next Page IconTo Next Page
To Previous Page IconTo Previous Page
To Previous Page IconTo Previous Page
Loading...
17
Block Diagram
This shows an outline of the strange goings on inside the mixer.
PHANTOM
MIC IN
+48 VDC
INST IN
LINE IN LEFT (MONO)
LINE IN RIGHT
AUX RETURN LEFT (MONO)
AUX RETURN RIGHT
SHELVING EQ
LEVEL
SET
MONO CHANNELS
1 and 2
GAIN
HIGH
80
12K
LOW
SHELVING EQ
HIGH
80
12K
LOW
PA
N
LEVEL
LEVEL
AUX 2/FX
AUX 1/MON
MAIN MIX
STEREO CHANNELS
AUX RETURNS
3/4 and 5/6
TAPCO BLEND 6
BLOCK DIAGRAM
SSE 01/04
L
L
R
R
PA
N
AUX 2/FX
SUM THING
SUM THING ELSE
AUX RETURN
TO
MAIN MIX
AUX RETURN
TO
AUX 1 MON
AUX 1/MON
L
R
L
R
LEFT MAIN BU
S
RIGHT MA
IN BU
S
AU
X 1 (MON)
B
US
AU
X 2 (FX) BU
S
AUX 2 /FX
SEND
AU
X 1/MON
SEND
HEADPHONE
OUTPUT
LEFT
RIGHT
METERS AND
PATENTED
HAMPSTER
HYPNOTIZER
MAIN or CD/T
APE
TO
CTRL ROOM
CD/TAPE TO
MAIN MIX
CONTR
OL
ROOM
PHONES
LEFT MAIN
MIX OUT
RIGHT MAIN
MIX OUT
LEFT
CONTROL
ROOM
OUTPUTS
RIGHT
CD/TAPE OUT
LEFT
RIGHT
CD/TAPE IN
24
28
15
25
29
26
27
23
22
18
21
19
20
1
2
3
4
17
17
7
6
11
9
8
10
5
7
6
11
10
13
14
12
9
8

Related product manuals