EasyManua.ls Logo

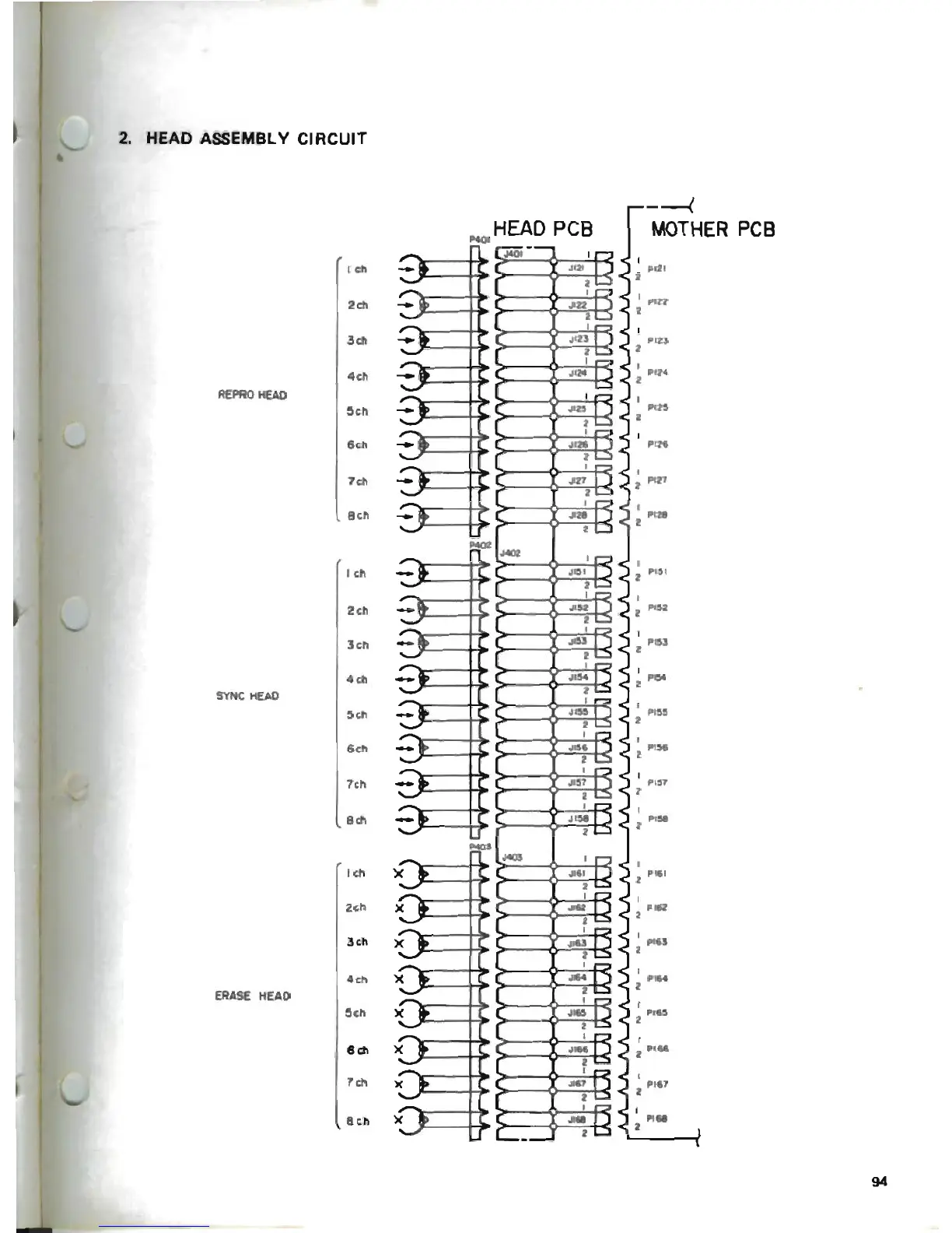
Tascam 38 - Head Assembly Circuit

Tascam 38
99 pages
Print Icon
To Next Page IconTo Next Page
To Next Page IconTo Next Page
To Previous Page IconTo Previous Page
To Previous Page IconTo Previous Page
Loading...

Table of Contents

Related product manuals