EasyManua.ls Logo

Tascam HS-8 - Blcok Diagram

Tascam HS-8
72 pages
Print Icon
To Next Page IconTo Next Page
To Next Page IconTo Next Page
To Previous Page IconTo Previous Page
To Previous Page IconTo Previous Page
Loading...
70 TASCAM HS-8
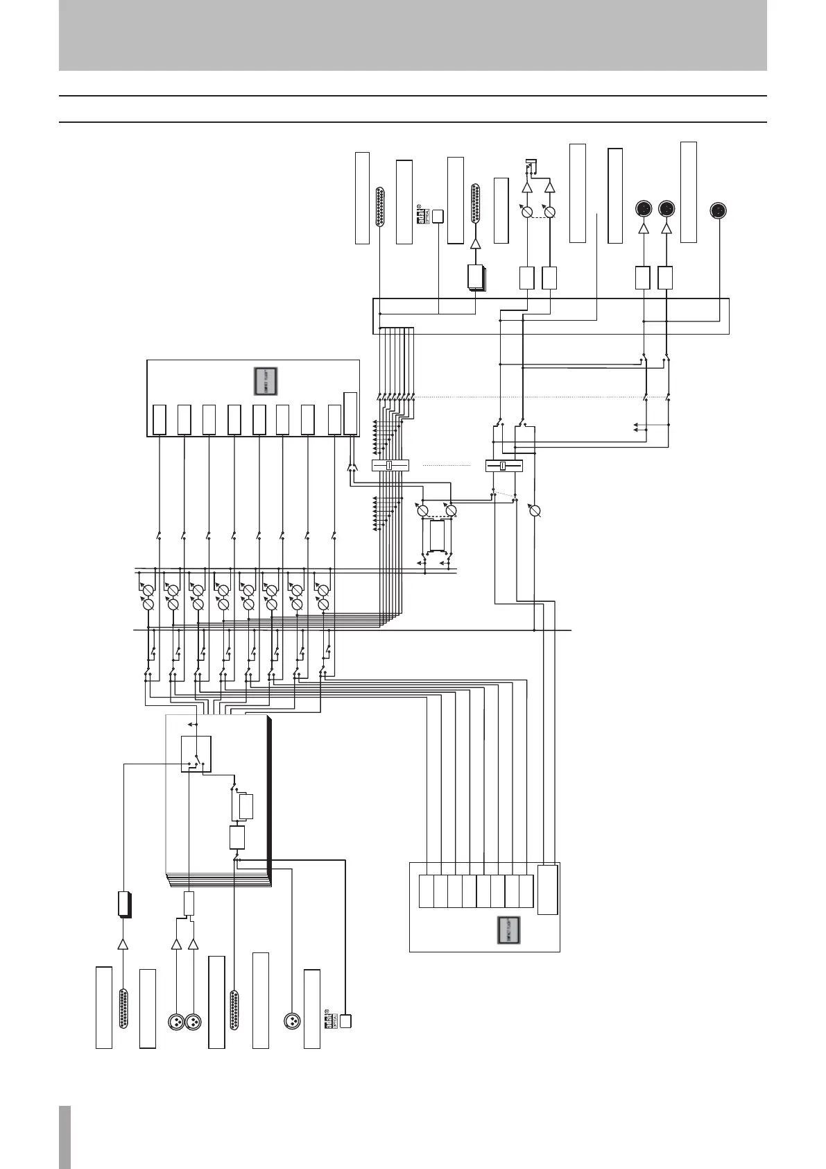
Blcok diagram
Phones
Phones level
AES/EBU output 1 to 8
Analog output L/A /R/B
-
-
L
R
XLR
XLR
AES/EBU Stereo output
Analog output 1 to 8
D-sub 25 pin
Phones output
Remote Monitor output
Interface
D/A
Meter
Analog input1 to 8
AES/EBU input1 to 8
XLR
Play Tracks
Track8
Track1
StereoTrack
CF Card
Track2
Track3
Track4
Track5
Track6
Track7
CF Card
Track 1
Track 2
Track 3
Track 4
Track 5
Track 6
Track 7
Track 8
solo
Solo buss Stereo buss
Volume
Pan
Master Level
StereoTrack
limiter
Clip
Clip
Record
Tracks
solo
Volume
solo
Volume
solo
Volume
solo
Volume
solo
Volume
solo
Volume
solo
Volume
Pan
Pan
Pan
Pan
Pan
Pan
Pan
solo
2mix play
limiter on
Rec func.
Rec func.
Rec func.
Rec func.
Rec func.
Rec func.
Rec func.
Rec func.
2mix
Rec func.
Clip
Selector
Channel 8
Channel 1
D-sub 25 pin
A
B
Analog inputA/B
SRC
D-sub 25 pin
I/F
XLR
AES/EBU Stereo input
D/A
D/A
D/A
ADAT input 1 to 8
-
A/D
-
-
A/D
D/A
ADAT output 1 to 8
D-sub 25 pin
(to Remote)
Online
Fader
XLR
Output
Source
Online
Fader
Solo Level
Meter
Online
ON /OFF
Online
ON /OFF
Meter
solo
rec/monitor
play
rec/monitor
play
rec/monitor
play
rec/monitor
play
rec/monitor
play
rec/monitor
play
rec/monitor
play
rec/monitor
play
-
13 – Specifications

Table of Contents

Other manuals for Tascam HS-8

Related product manuals