EasyManua.ls Logo

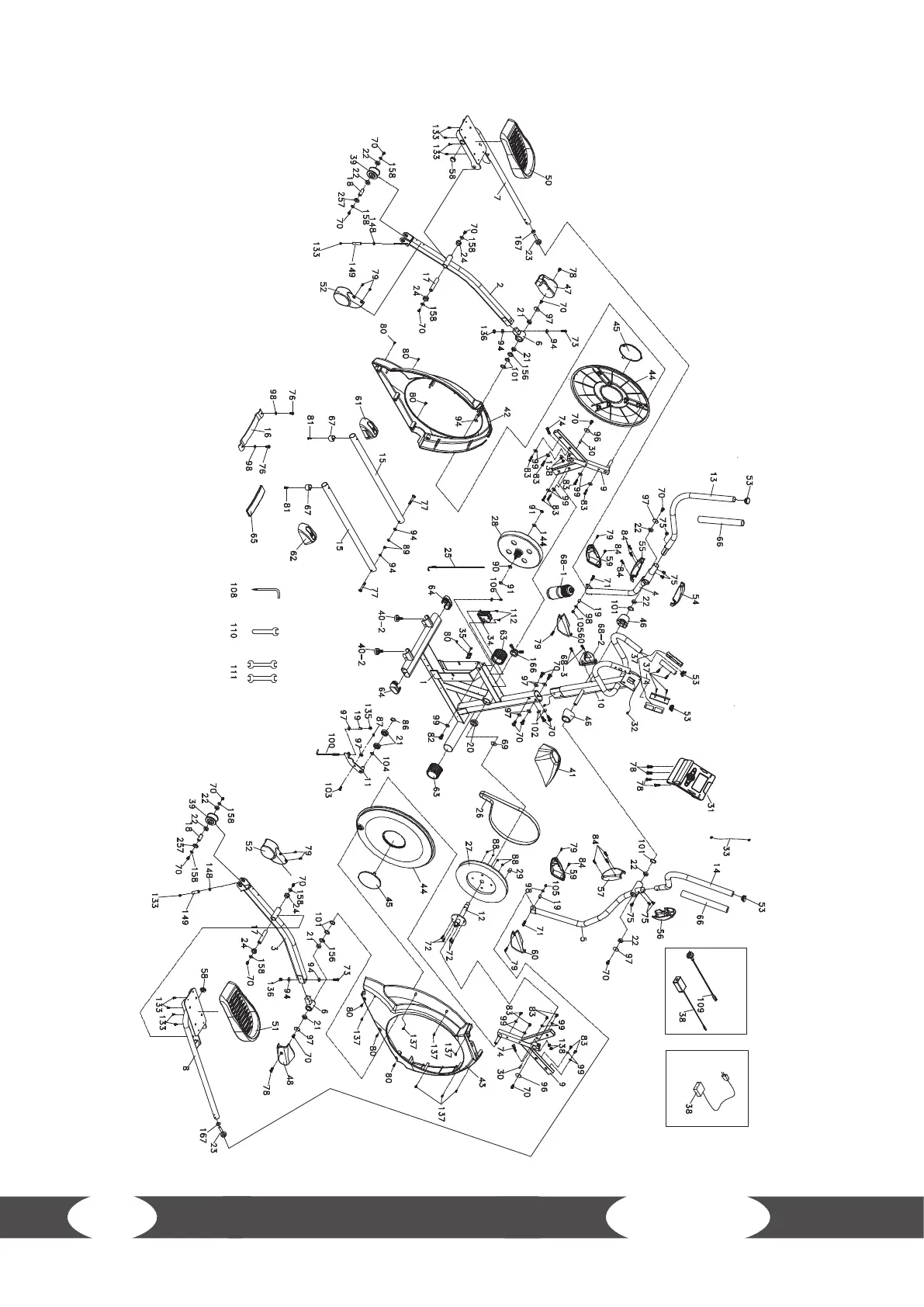
Taurus X71 - Exploded Drawing

Taurus X71
40 pages
Print Icon
To Next Page IconTo Next Page
To Next Page IconTo Next Page
To Previous Page IconTo Previous Page
To Previous Page IconTo Previous Page
Loading...
32
X71
8.3 Exploded Drawing