EasyManua.ls Logo

TCL L28E3500 - Page 33

TCL L28E3500
39 pages
Print Icon
To Next Page IconTo Next Page
To Next Page IconTo Next Page
To Previous Page IconTo Previous Page
To Previous Page IconTo Previous Page
Loading...
T
T
GND
GND
GND
GND
GND
GND
GNDGNDGND
GND
GND
GND
GNDGND
GND
GND
GND
GND
GND
GND
.............
DESIGNATION
ON:
BY:
CHECKED
DRAWN
DATE DESCRIPTION Last modifNAMEIndex-Lab
7
7
6
6 5 4 3 2
D D
C C
B B
1
A
THIS DRAWING CANNOT BE COMMUNICATED TO UNAUTHORIZED PERSONS COPIEDUNLESS PERMITTED IN WRITING
FORMAT DIN A4
SBU :
ON:
BY:
OF :
PAGE:
Last saved :
The JTC Summit SINGAPORE 609434
Tel (65) 63092900 Fax (65) 63092999
TCL Thomson Electronics Singapore Pte. Ltd.
8 Jurong Town Hall Road #28-01/06
TCLNO:
DESIGNATION
GND
GNDGND
T
T
T T T T T TT T T T
T
SDA
SCL
WC
VCC
VSS
E2/NC
E1/NC
E0/NC
T
R0N
R0P
R1P
VCC_LVDS
R1N
R2N
R2P
RCKN
RCKP
R3N
R3P
GND1
VDDC1
RESET
BIST
LV_SEL
TEST
VDDP1
OD_EN/GPO8
GPO7
PWMO/GPO6
VDDC2
NC1
NC2
VDDP2
STV_D
GPO3
UD_SEL/GPO2
KB/GPO1
VDDP
OE
STV_U
LV5P
LV5N
LV4P
LV4N
LV3P
LV3N
LV2P
LV2N
LV1P
LV1N
LV0P
LV0N
GND2
TP
POL
CPV
PWMI/PDI
SCL
SDA
VDDP4
MGD_EN/GPOB
VDDC3
GND5
GND4
GPOD
GPOE
VDDP3
REL
VCC_MINI-LVDS
GND3
LV6P
LV6N
close to ic
1
2
4
5
3
6
7
8
9
10
11
12
13
14
15
16
17
18
19
20
21
22
23
24
25
26
27
28
29
30
31
32
48
47
46
45
44
43
42
41
40
39
38
37
36
35
34
33
64
63
62
61
60
59
58
57
56
55
54
53
52
51
50
49
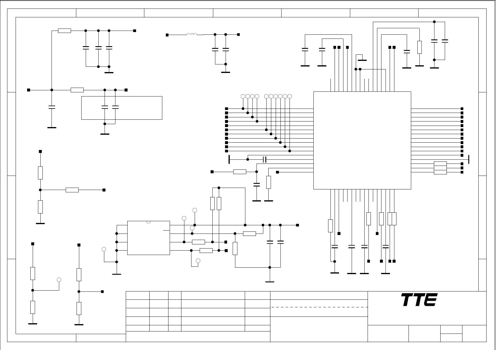
U701
MST6M30QST
TCON_SCL
5
6
7
8
4
3
2
1
U702(CPP)
M24C32MN
R713
22R
NC/
22R
R714
LV_SEL
TCON_GND
TXEC-
TXE2-
VCC_LVDS
TXE1+
TXE0-
TXE3+
TXE3+
TXE3-
TXE3-
TXEC+
TXEC+
TXEC-
TXE2+
TXE2+
TXE2-
TXE1+
TXE1-
TXE1-
TXE0+
TXE0+
TXE0-
TCON_SDA
EEPROM_WP
TCON_SCL
TCON_SDA
R717
22R
4K7
R725
R726
4K7
R704
10K
C710
0.1U
4K7
R710
LV_SEL
22R
R716
R723
18K
R703
4K7
VDDC
L701
120R
VDD_1V2
4K7
R724
NC/
R715
4K7
R709
0R
NC/
VDDP
VDDP
CKV
POL
TP1
R720
22R
22R
R719
R718
22R
3V3_NORMAL
STV
VDDP
0.1U
C709
UD_SEL
R721
4K7
1000P
C708
C703
1000P
0.1U
C702
C704
0.1U
0.1U
C711 1000P
C715
VDD_1V2
MGD_EN
VDDP
TCON_SDA
TCON_SCL
0.1U
C716
R702
0R
VDD_1V2
C717
0.1U
VDD_1V2
NC/
R706
4K7
VDDP
4K7
R708
NC/
R707
4K7
UD_EN
C701
1U
0.1U
C718 C719
0.1U
VDDP
STV
R711
22R
UD_SEL
OE
VDDP
22R
R712
MLV5N
MLV5P
MLV4N
MLV4P
MLV3N
MLV3P
MLVCKN
MLVCKP
MLV2N
MLV2P
MLV1N
MLV1P
MLV0N
MLV0P
GVON
UD_EN
4K7
R705
3V3_NORMAL
0R
R701
3V3_NORMAL
C712
0.1U
VCC_LVDS
3V3_NORMAL
MGD_EN
4K7
R722
NC/
C714
0.1U
0.1U
C713
0.1U
C705
1000P
C706
C707
0.1U
C720
0.1U
1000P
C721
VDDP
LV_SEL
3V3
3V3_NORMAL

Related product manuals