EasyManua.ls Logo

TCL u Series - Applications: 3-Wire Motor Valve Control; 3 wires proportional motor valve control

TCL u Series
50 pages
Print Icon
To Next Page IconTo Next Page
To Next Page IconTo Next Page
To Previous Page IconTo Previous Page
To Previous Page IconTo Previous Page
Loading...
47
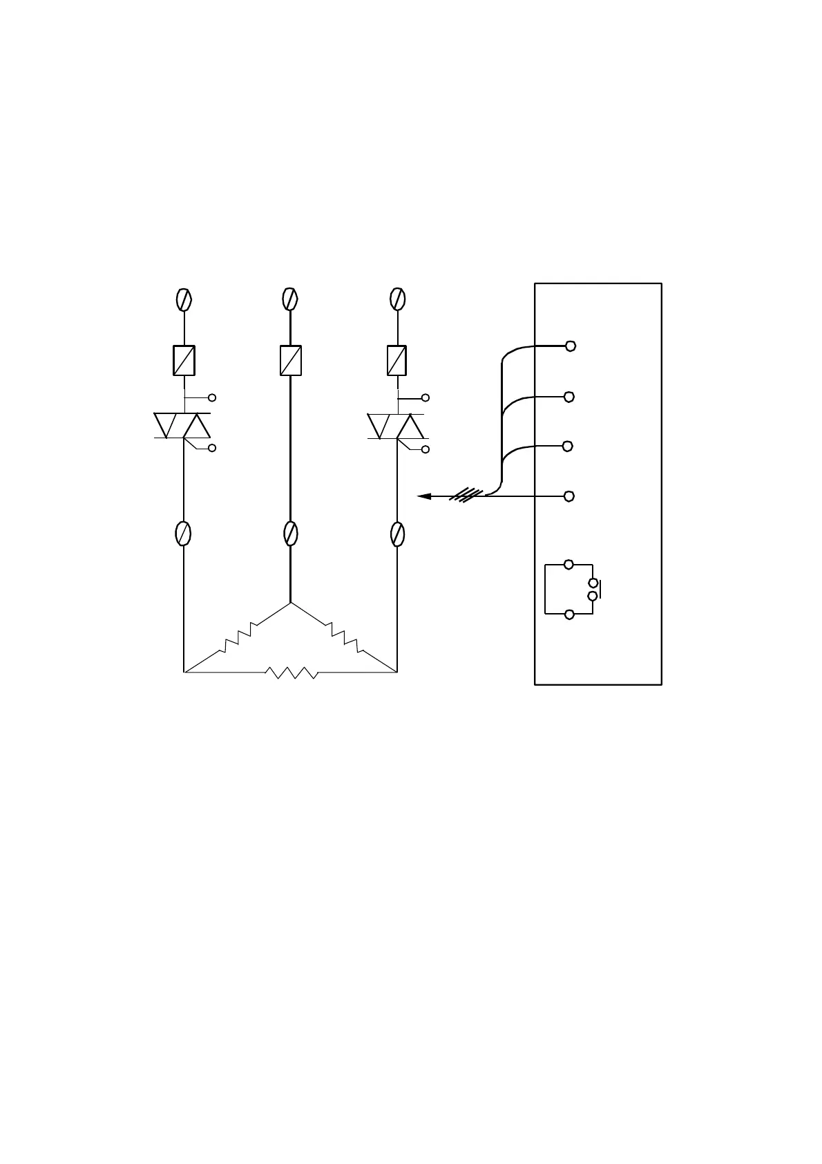
17.9 3ψZero crossing control (By TRIAC)
z Available ModelsuTC92 / uPC92
z OUT1: 3ψSSR
z Data Change OUTY=0
CYT1=1
Short
Controller
(RG 1)
(TG 1)
(RG 2)
(TG 2)
PROT
S
R
U
V
T
W
Fast Fuse
T2
(TG 1)
G1
T1
(TG 2)
T2
G1
T1
(RG 1)
(RG 2)

Related product manuals