EasyManua.ls Logo

Teac A-2300SR - Page 52

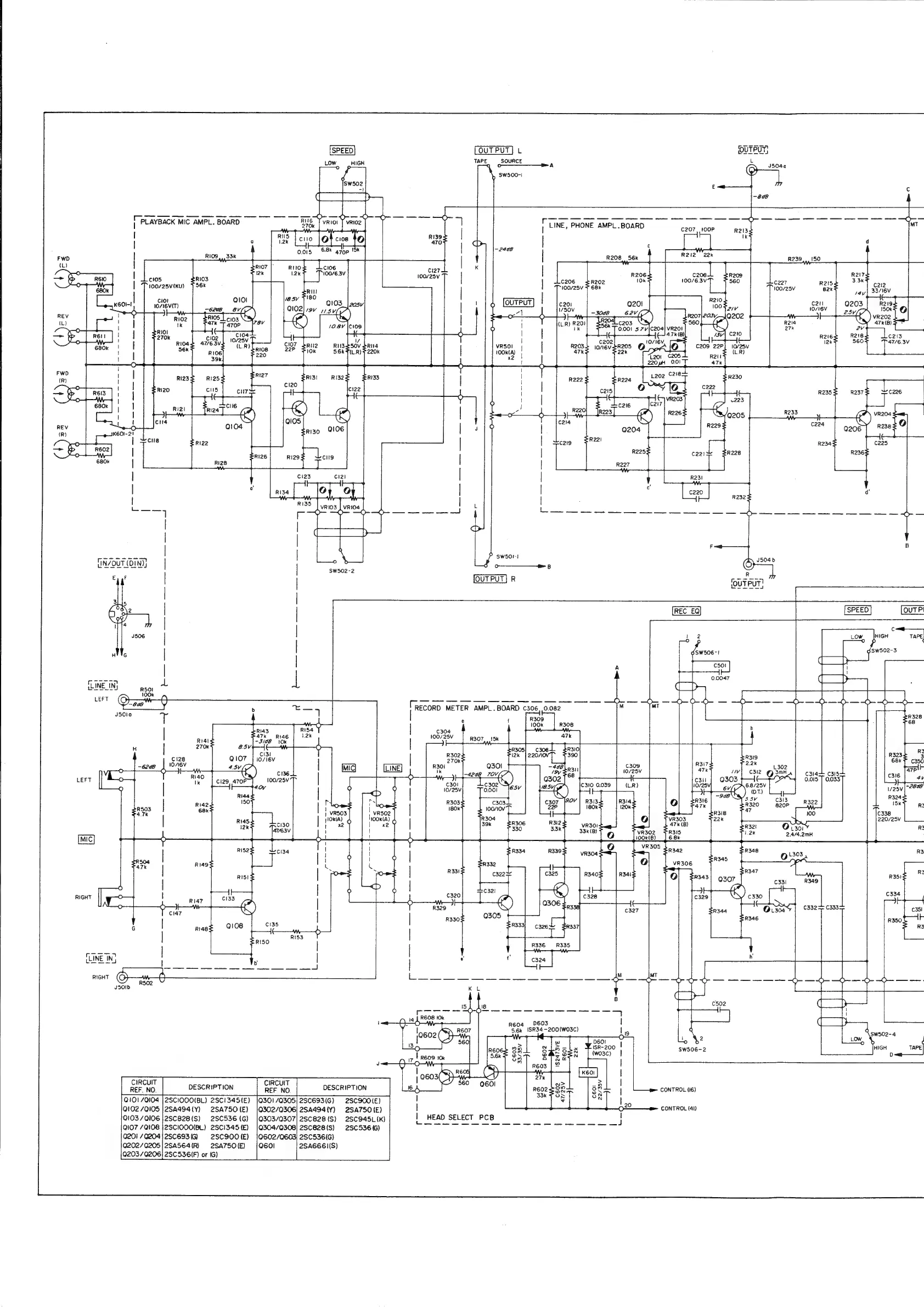
Teac A-2300SR
58 pages
Print Icon
To Next Page IconTo Next Page
To Next Page IconTo Next Page
To Previous Page IconTo Previous Page
To Previous Page IconTo Previous Page
Loading...
PLAYBACK
MIC
AMPL.
BOARD
|
I
|
FWD
|
(L)
|
+
6
|
J
ctos
O
|
Tiooresvixu)
|
cior
10716ViT)
REV
4
w
|
o
Scale
|
O
FWD
(R)
o
(O,
rear
ae
ene
680k
a
KEOI-2
|
cule
+
BT
p02]
680k
|
|
|
eels
1
UN/OUTIDIN);
|
Epa
|
3i Is
|
2
|
{4
|
J506
|
Meo
|
[LINE
IN}
gag,
et
Ors
Y
J5SOlo
©
irr
||*M-o
Oo
O
RIGHT
Ba@a
o
Q101
/0104
|
2SCIOOOIBL)
2SC1345(E)
|O30!
70305]
2SC693(G)
2SC9O0(E)
100k
la
°
-6208
O
R503
|
4.7k
|
O
=
|
|
O
Ri4i
270k
C128
10/16V
RIGO
\k
R142
68k
Ria9
R147
C147
R148
Q102
/Q105
|
2SA494
(Y)
0103
/Q106
|2SC828
(S)
2SA750
(E)
|0302/0306}
2SA494(Y)
2SA750(E)
LOW
=
HIGH
0103,
Q102)
s9v
sv
ad
Ri29
ci23
oy
©
m=
O
O
Oo
2SC536
(G)
|0303/0307]
2SC828(S)
2SC945L
(kK)
QIO7
/QI08
|2SCIOOOIBL)
2SCI345(E)
|0304/0308]
2SC828(S)
2SC536G)
O20!
/
0204
|
2SC693
1G)
0202/0205
|
2SA564
(R)
2SC900(E)
|0602/0603}
2SC536(G)
2SA750
(E)
2SA6661(S)
OUTPUT]
L
TAPE
SOURCE
A
},
SW500-I
R604
D603
5.6k
1SR34-200(WO3C)
1S2473VE
R6OI
€227
R2i5
33eT
cote
100/25V
2
82k
yay|
33716V
c2it
Q203
R219.
1O/I6V
25v/\__
'50k
CK)
vrzo2
R214
47k(B)
27k
ev
R216
R218
c2i3
12k
560
47/6.
3V
R228
R23!
C220
R232
ee
oe
F
12)
"Oa
Een
ae
(OUTPUT)
REC
EQ
SPEED
[ouTP
!
qt
OD
|
|
Sw50l-l
o
}
;
oe
|
Sw502-2
|
OUTPUT]
R
|
fio
ee
ee
ee
O-
——
b
on
1
|
RECORD
METER
AMPL.BOARD
c306,
0.082
M
dj
e
ane
|
US
|
ogie5,
|
14
:
-3/08
\Ok
|
R507
lk
sv
©
CI31
R
Q107
|
ioviev
|
BOK
45V
(7
R301
309
i)
c136_L
b
tk
10/25V
cl29,470P
oe
ly
e301
4Ov
10725¥
R303
180K
c130
a7/63V
Oo
Eee
|
|
R33!
320
(Pp
©
)
a
|
R330
9108
135
.
RI53
|
180
|
R336
R335,
1
t
Y
|
e
324
be
a
ee
ee
eS
KL
B
Wisse
se
=
ee
|
SW506-2
CONTROL
(I6)
CONTROL
(41)
c
HIGH
TAPE,
JSw506-!
gsw502-3
q
oD
=a
meee
Pal
0.0047
q
D
D
ae
;
O— O-
©
_—
O
O
eo
oO
4
==
R328
68
h
R3
R323.
R319
68K
cas
22k
mv]
c3i2
osm
alr
m
c3iaxt
c3i5
0303
0.015
|
0033
C36
|
a
BU
ror)
v25v
|
26%
~9IBLS/s
sy
e313
R324
R322
15k
R320 820P
R2
R318
a
100
338
22k
LM.
220/25V
R321
Ot301
R
12k
2.4/4.2mH
R348
R3
L303
R345
Oy
R347
ae
351
ee
€33!
R349
)
€330
C33
4
Beak
Ovser
c332=
¢333
C351
R346
R350
F
R3
502
i!
cp
Meo
“\sw502-4
HIGH
TAPE
ie}

Related product manuals