EasyManua.ls Logo

Teac A-2300SR - Page 53

Teac A-2300SR
58 pages
Print Icon
To Next Page IconTo Next Page
To Next Page IconTo Next Page
To Previous Page IconTo Previous Page
To Previous Page IconTo Previous Page
Loading...
i
T__
LEFT
——
[ee
|
RECORD
ERASE
RECORD
ERASE
¢
'
X
!
X
QD
OD
I>
IP
v
_—
oe
-O-0-
Oe
oe
s-d
_—
bud,
_—
d-4
cote
et
er
rch
Poca
ac
ee
-3508
§
MT
|
ap,
RECORD
MODE
C405
4200P/250V
O
C408
0.033/150V
O
L401..Q
c40!
R401
220/35V
56
(IW)
0.1/400V
:
|
|
|
|
|
|
|
|
1
C406
|
|
|
|
|
|
|
|
|
3.3/50V
R408.
"47
(1/2W)
b
oo
say
as,
502-4
SW5O!I-2
vu2
2s
&
28
2
fc}
5 E
6
re)
4 z
GH
Tape]
SOURCE
8
é
8
8
D
°
o
8
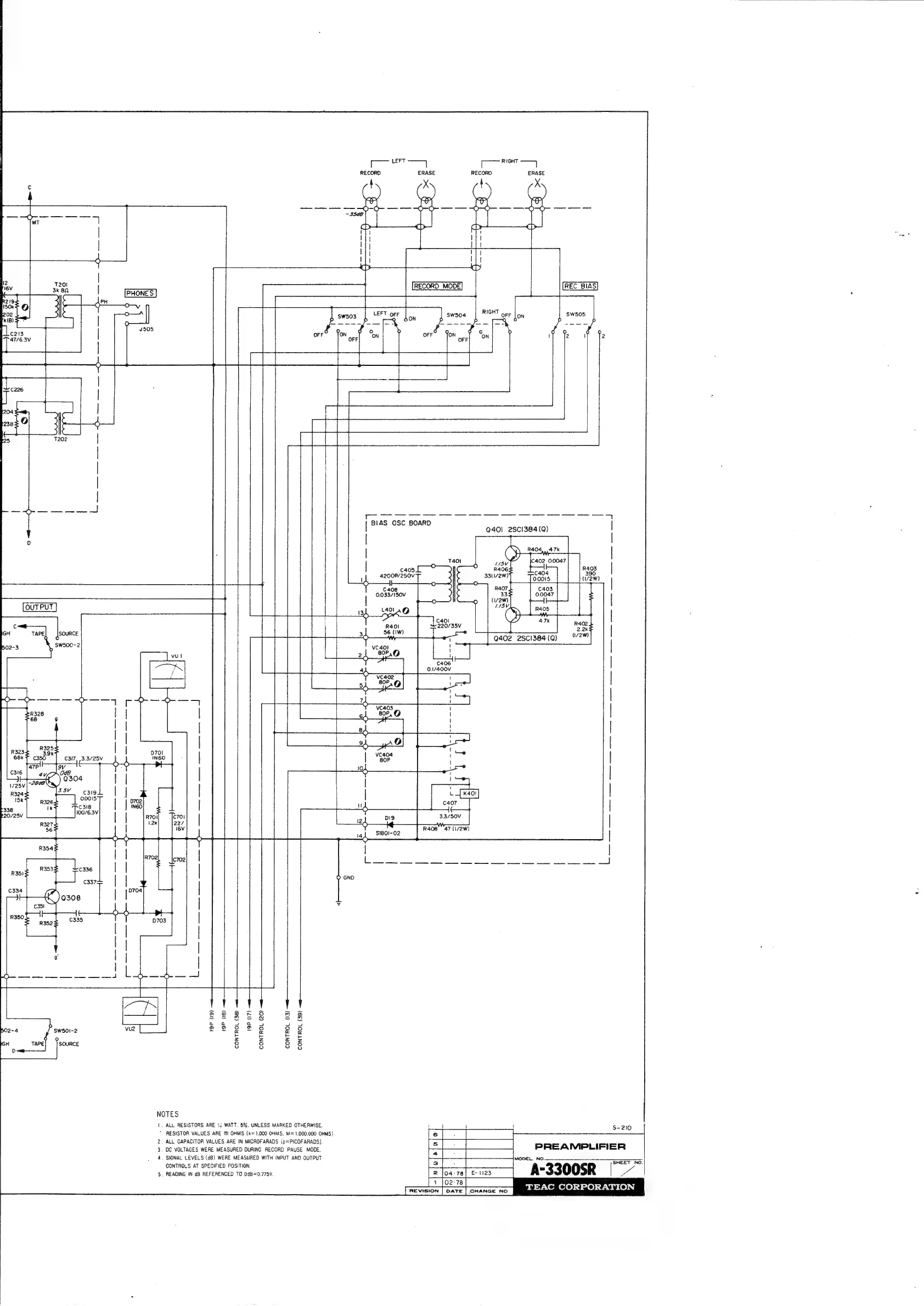
NOTES
1.
ALL
RESISTORS
ARE
1,
WATT.
5%,
UNLESS
MARKED
OTHERWISE.
i
i 7
i
S-210
~
RESISTOR
VALUES
ARE
IN
OHMS
(k=1,000
OHMS,
M=1,000.000
OHMS}
lef
-
|
2.
ALL
CAPACITOR
VALUES
ARE
IN
MICROFARADS
(o=PICOF
ARADS)
oe
ona
PREAMPLIFIER
3.
DC
VOLTAGES
WERE
MEASURED
DURING
RECORD
PAUSE
MODE.
Py
Gee
eae
4.
SIGNAL
LEVELS
(dB)
WERE
MEASURED
WITH
INPUT
AND
OUTPUT
MaoeeNn:
CONTROLS
AT
SPECIFIED
POSITION.
Ee
ae
A-3300SR
enee
5.
READING
IN
dB
REFERENCED
TO
0B=0.775v.
|
2
Joa-7al
e-1123
|
ra

Related product manuals