EasyManua.ls Logo

Teac A-3300 - Page 100

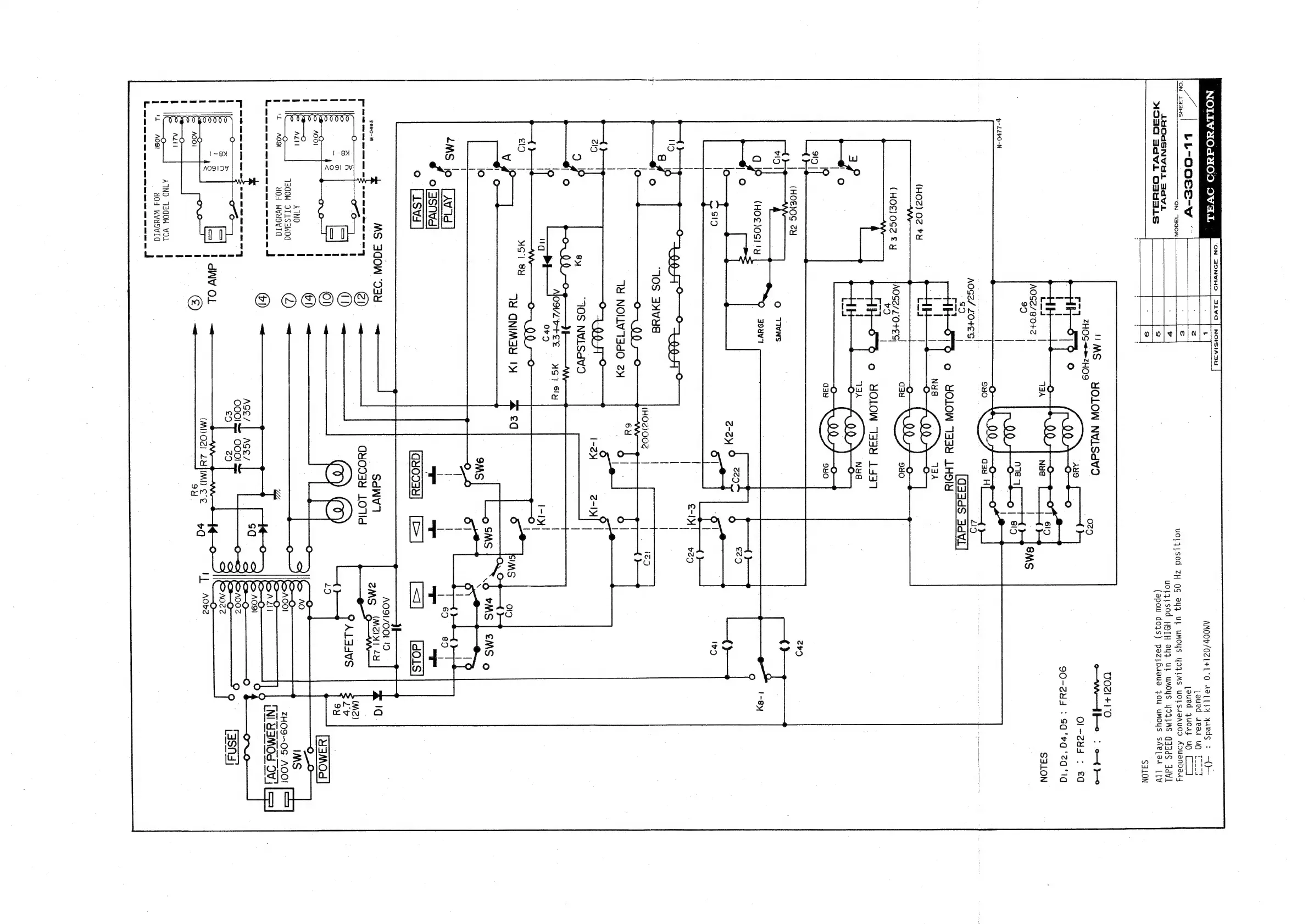
Teac A-3300
102 pages
Print Icon
To Next Page IconTo Next Page
To Next Page IconTo Next Page
To Previous Page IconTo Previous Page
To Previous Page IconTo Previous Page
Loading...
subepidermal
ier
=
|
+
|
,
AMOOP/OZL+L°O
4ALLEY
yueds
>
A}
S
ro
.>-
v
Ss
9
|
meena
f
jaued
ueau
ud
|
u---4
4
|
Lr-ooee-v
©
‘ON
L33HS
paued
quous
ud
("_]
UOLZLSOd
ZH
OG
BYA
UL
UMOYS
YOZLMS
UOLSABAUOS
Aduanbau4
uoLZLSOd
HOIH
dy}
UL
UMOYS
YOFLMS
G49dS
JdYL
(apow
dozs)
paziBuaua
you
umoys
sAejad
LLY
SALON
‘ON
T3S0G0OW
AYOASNVUL
SdVL
HDAC
Advil
OSAAALS
U0Z
+10
MS
YOLOW
NVLSdv9
aaa
owe
5
1}
poy
ee
ee
Ol-zu4
:
£0
|
57)
O
00
nu
5
1
|
|
ed
90-244
:
Sa‘va‘za‘la
Lod
|
TBA
AY
S3LON
AOGZ/8°0+zZ
}
99
|
p-LLv0-N
|
1
@
bea
paraee
ul
oe
a
AOG2/
LO+E'S|
419
oe
|
d33dS
3dvL
O
|
©
o
YOLOW
153Y
LHOIY
r
Nua
VSA
(HOZ)
OZ
*Y
|
(HOE)
0SZ
Ey
23
O
;
2
\9
919
|
|
(HOE)OS
zy
2)
a
a
le
(HOE
)OSI'Y
Eaoee
as
|
SID
!
O
O
O
O
|
|
Hd
.
RS
SA'S,
od
6
“los
anv
[,
eteeeecle
ees
|
(HOZ)IO0?G
|
|.
tea
|
ey
|
|
|
Ta
NOlLW14ad0
2y
_
0
O
Zig
QOH
9
|
ey
“10S
NVLSdVO
|
oO
O70
-O
-——w--
VL
+E"
;
!
|
Moores
31
6a
ov”
elQ
|
G1
8Y
Vv
Ip
Ta
GNIMSY
IY
cae
AOSI/00!
!D
.
MS
3GOW
‘03H
=
SdWV7
amg
ihe
zy
1d
Eos
a
7@)
ayoo3Y
LOTd
:
ee
OQ
-
?
ALBIVS
Le
!
1
=@
1
!
¢)
|
1
ATNO
1
;
7300W
911sanoa
|
®
1
A0aI
YOd
WyYOYId
]
Lecce
aeaeneeeeeoe
@)
~——____+>—_++4
-#
e—
85
—_J]
4
Msaiibe
LaSn3)
dINV
OL
©)
O
AINO
1aGQW
VOL
'L
AOS!
YOd
WYYOVIG
bee
eee

Related product manuals