EasyManua.ls Logo

Teac A-3300 - Page 101

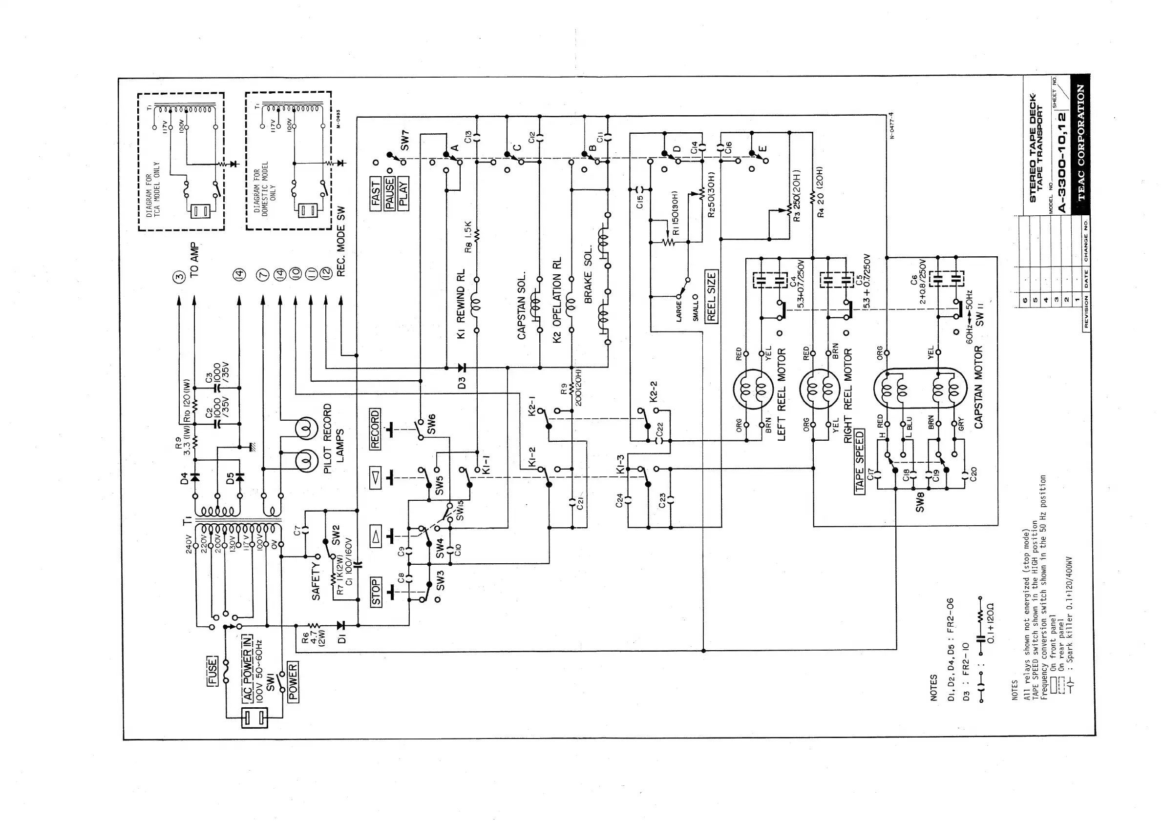
Teac A-3300
102 pages
Print Icon
To Next Page IconTo Next Page
To Next Page IconTo Next Page
To Previous Page IconTo Previous Page
To Previous Page IconTo Previous Page
Loading...
Ton
sonvno
[Sava
|
Nowinae
|
NOLLWAOdaxOO
OVAL
He
‘ON
133HS
2
L‘OL-OOEE-V
‘ON
300
LHOUSNVaL
AdVL
|
|
ORG
AdVL
O3WSLS
|
s
|
ce
IMS
YOLOW
NVLSdV9
bia
ZHOG-<+*ZHOS
il
AY9
|
°
0)()
O
O
LJ
|
BA
nug
AOGZ/8'0+2
99
|
;
8MS
|
0()
p-LLv0-N
|
A
ers
A
0
940
SS
aay
H
AOG2/LO
+
€'S
£t))
cj
|
daadS
advil
a,
r>
o
MOLOW
133u
LHOIY
Pet
Nua
3A
Lt
:
-
(HOZ)
O2
*Y
[azis 1334]
OTWWS
(HOE)OSG2Y
39uV1
(HOE)OSI
14
2-2
Y
|
uit
|
¢€-I>
29
O
‘awa
0
O
\
f
|
|
HID
id
SOO
CWO
AF
“Jos
avy
|
|
|
{HOZ)002
|
|
6yY
|
|
|
Td
NOW
1SsdO
2y
O
a
i
TAO
|
9
|
“70S
NVLSdVO
|
Es
lg
|
el9
4G)
8Y
:
_
:
Vv
‘o
Ta
GNIMSY
'y
O
lo
|
<MS
f
AW
0|3SNVd
o
|
1LSV3
MS
3GOW
93H
~~
SdWV71
fi
4
@)
GYO03Y
LOTld
!
O.
So
i
{
:
AANO
!
@)
i
TacoW
911sauoaq
|
gQ
——
1
4
YOd
WYOVIG
j
Lbousee
eee
ee
oo
¢)
rceeeccco-
-
NINO
1300W
VOL
YO4
WYYOVIG
tL
porctoccesccc
anes
cae
ee
ee
eae
a
ce
AMOOP/OZL+L°O
4OLLEY
Y4eds
:
Laued
ueau
ug
fI7TG
jaued
quousy
ug
(7)
pas,
UOLALSOd
ZH
OG
aYQ
UL
UMOYS
YOZLMS
UOLSAaAUOD
ADUANbaJ4
UoLZLSOd
HTH
AY2
UL
UMOYS
YOFLMS
GFAdS
AdVL
(apow
doqs)
paziB1aua
you
umoys
sAelad
LLY
S3LON
U0ZI
+10
o—wWw—f{f--o
1:
o{}-0
Ol-zu4
:
£0
90-24
:
Sa‘ba'za‘ia
S3.LON
AOSI/OOI
!9
zms_
Melt
te
1g
(M2)
?
ALSSVS
LY
9y
=
YaMOd
e
O
O
Sr
IMS
AOO0!l
ZHOO~OS
AOO!
etd
=
|
(NI
SaMOd
SV)
l=
S
AOE
OO,
Oo
O
O
O
O
A002
O
lan
7
o
O
3sn3
S
AOZZ
Lene)
ae
AOE

Related product manuals