EasyManua.ls Logo

Teac A-3300 - Page 102

Teac A-3300
102 pages
Print Icon
To Previous Page IconTo Previous Page
To Previous Page IconTo Previous Page
Loading...
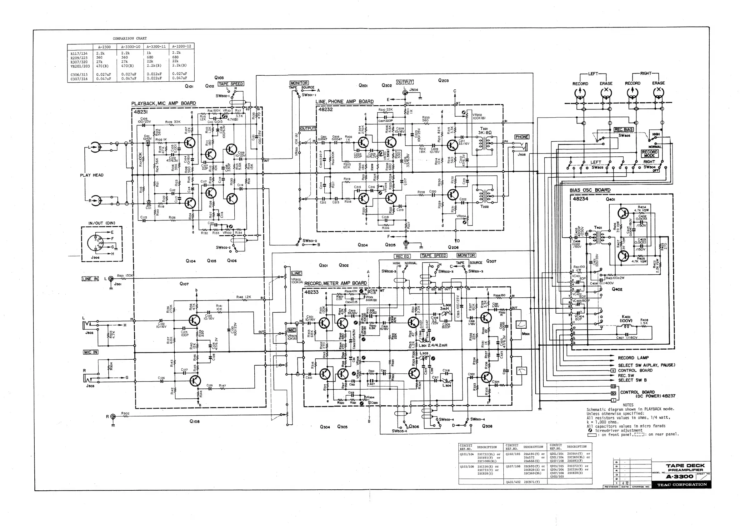
COMPARISON
CHART
[|
A230
A~3300-11
|
A-3300-12
A~-3300-10
R117/134
2.2k 2.2k
2.2k
R209/225
560
560
ei
680
R307/320
27k
27k
22k
22k
VR201/203
|
470(B).
470(B)
2.2k(B)
2.2k(B)
0.027uF
€306/315
0.027uF
0.027uF
0.012uF
€307/316
0.047uF
0.047uF
0.022uF 0.047uF
Qi03
Q
LEFT
RIGHT:
[TAPE_SPEED]
[MONITOR]
OUTPUT!
203
Quor
Qioz
TAPE
Sf
ED
ONT
OR
cE
Qeo1
Q202
ieee
RECORD
ERASE
RECORD
ERASE
°o
¢°
SWs02-1
¢
b,
SWso1-1
C
7
4
x
4
x
PLAYBACK,MIC_AMP_BOARD
q——p
LINE,
PHONE
AMP
BOARD
Se
aie
a
.
eer
Se
rey
nm
48032
ee
im
7
4
|
c
e—
d
4)
Cio5
3.3K
os
R
VR202
100725v
Riog
33K
4.7K(8)
|
860°
100K(B)
ab
s
Clot
<
av
ath
O/oV
x
Aw
0088
dboa7
0?
“3
8
ied
‘Te
Y
¥
a
:
v
J
7
8
|
|
R2i2
C209
Es
|
of
[x
18K
10/16V
g
38
i
tel
is
io}
oS
|
|
R
8
«
7
8
&
R203
°
89
|
6
20K
PLAY
HEAD
—4
4
|
R219
te
oO
a
|
fF
oy
|
Ree
xo
|
Aim
BIAS
_OSC_BOARD
nN
a
4
a
Rey
o6—O-4
5
|
caz
Caz
Rais
ig
8234
Qaoi
Cin
e.
|
|
|
|
|
cus
|
|
IN/OUT
(DIN)
|
|
1
|
|
5
o>
a
Riz2.-Ri33.s«VRIo2
ee
I
ee
es
ere
omen
eee
Com
ee
ee
eee
See
Se
memes
Co
ene
ee
SEEN
SERRE
882
4
|
~~
dp
|
P
sw:
a
ie
Tos
sOI-2
D
f
=
Q
6
OB
©}
C408
|S
!
iia
.
|!
Q204
Qeos
:
ine
ke
a
TAPE
SPEED]
[MONITOR
|
.
|
a
Qi04
Qios
Qios
Q307
|
ge
|
|
:
Q301
Qz02
HIGH
NORMAL
sat
3G
TAPE
SOURCE
38
|
|
E
a
SWs05-3
SWso2-3
SWso1-3
sowe
9
|
on
R501
ISOKE
LIN!
3)
¢
d
z
b
=
A
7
LEN
1@
:
VR502
i
C_pD
Gp
LTT
|
1.-*°
bop
Las
|
Ra0r100n2W
|
Jso1
Quoz
100K(A)
RECORD,
METER
AMP
BOARD
|
dp
a2
|
RECORD
eee
|
Ra
APY
|
cavel
Oi400v
|
l
b
:
(e253.
QUE
HT
af
payer
or
a
corre
§
or
Ria
1.2K
aon
~
qiveaog,.,
o
22k
y
me
ay
8
.
gs
|
gs
bo
AL
3
=m
ea
3
|
L
IN
C30!
8
W404
°
Ke
|
.
r
Cree
eis
ee
(K)
‘|
Por
2
(l0ov)
R408
|
o
=e
|
1o/iev
Uy
3
meg
Nok
|
Js02
Bx
|
8x
.
|
a
ne
3
|
«8
%
|
ro
a
b
=
fous
.
sg
9e
Bs
=
.
|
(Mic
IN)
=
=
i
*
o
eS
A
A
A
CS
A
SS
i
AS
A
eh
Ss
SN
SN
2
nm
A,
+
c
¢
2
4
|
"
RECORD
LAMP
R
Z
|
PA
Gite
od
Y
é
=
SELECT
SW
A(PLAY,
PAUSE)
0
|
I
|
1
at
i”)
[5]
CONTROL
BOARD
|
°
—-+»6G
i
Ciz6
GY)
|
C310
A,
REC.
SW
ae
|
<i
SL
ge
ae
|
|
!
:
a
SELECT
SW
B
<
=
©
|
«
=
1
|
CONTROL
BOARD
|
|
L
(DC
POWER)
48237
Lt]
b
é
eS
ee
OS
et
||
a
ee
oe
ee
Norte
R502
.
Schematic
diagram
shown
in
PLAYBACK
mode.
R@
Pres
\
QD
dp
Unless
otherwise
specified:
Qios
is
B
é
Q
SWs02-4
©
SWsoi-4
All
resistors
values
in
ohms,
1/4
watt,
a
D
4
k
=
1,000
ohms.
Q304
o
b@306
Q308
All
capacitors
values
in
micro
farads
SWs05-4
@
Screwdriver
adjustment
7:
on
front
panel,
{IZ}:
on
rear
panel.
CIRCUIT
CIRCUIT
CIRCUIT
REF.NO.
DESCRIPTION
REF.NO.
DESCRIPTION
REF.NO.
DESCRIPTION
QLO1/104
2SC732(BL)
or
|
Q102/105
2SA494(¥)
or
|
Q201/204
2SC644(T)
or
28C693(F)
or
2S8A572
or
|
Q301/304
2SC369(BL)
or
2SC1000(BL)
284666
(S)
Q107/108
2S8C693(F)
Q103/106
2SC536(E)
or
QL07/108
2SC693(F)
or
|
Q203/205
28C372(¥)
or
2SC733(Y)
or
28C828(S)
or
|
Q204/206
2SC536(E)
or
TAPE
DECK
PREAMPLIFIER
28828
(s)
28C369(BL)
|
307/308
28C828(S)
<a
302/305
A-3300
|
wo
Q401/402
_28C971(X)
|

Related product manuals