EasyManua.ls Logo

Teac A-3340S - Page 61

Teac A-3340S
64 pages
Print Icon
To Next Page IconTo Next Page
To Next Page IconTo Next Page
To Previous Page IconTo Previous Page
To Previous Page IconTo Previous Page
Loading...
[SIMUL]
fs
NORMAL
MONITOR
[OUTPUT;
f
HIGH
LOW
TAPE
SOURCE
CQ
Co.
P/B
HEAD
>
R701
56k
CH-1
REC
HEAD
<
Ria
8
220k
Sy
O
F/B
HEAD
>
O
CH-3
A
O
REC
HEAD
<
a
we
0
M
VRsoi
a
A
Qg
E
JT)
__LINE
PHONE
AWPL.
f=
Czor
jOOP
c
Raiaik
100k
C201
Rzot
R2i0|R209
1/50V
ik
(L-R)
R2so
39k
R203
47k
R222
R2st
C214
p
Re2o
C29
Qui
Qu2
fapetegrmas
i
pies
ess
i
K
O
T
ons
MS
|
Fa
(item:
O
cH-3
||
Lo
©
NORMAL
REAR
PHONES
G
O
O
“yo
SPEED
MONITOR
ne
\\
F/B
HEAD
>
ite
-
[SPEED]
-|
MONITOR]
AO
HIGH
LOW
TAPE
SOURCE
fF
ti(‘é‘“ai*irtCS
i
2
HIGH
LOW
TAPE
SOURCE
0
0
QO.
O
Oo
0
Q
0
O
pe
™S
S7-b
|
t)
S7I3-a
E
ies
hae
S
t)
O
-
3-b
REC
HEAD
<
|
d
PY
0
R705
36k
OUT
PUT,
t
z
a
O
“4
oF
Crum
wm
anf)
O
O
O
Qe
me
ane
oe ee
oe
a
S|
4!
i
a
sens
3
a
)
1
©)
2]
|
i
I
;
|
R
EQ
MIC
AMPL
2
|
LINE
PHONE
AMPL
1
REC
METER
AMPL
!
©
)
©
|
Q
i
d
!
I
i
y
°
4
Bosee
O
ai
oes
aw
al
Lo
Or
——D
O
O
O
Cham
ane
rw
ee
cee
ne
0)
=.
‘\
e
P/B
HEAD
>
;
~
Do
0
CU
TAPE
—§
SOURCE
O
CH-4
S715-a
0
REC
HEAD
<
|
O
VRso06
i
10k
{A)
RTI4
10%
VR508
1Ok
{A}
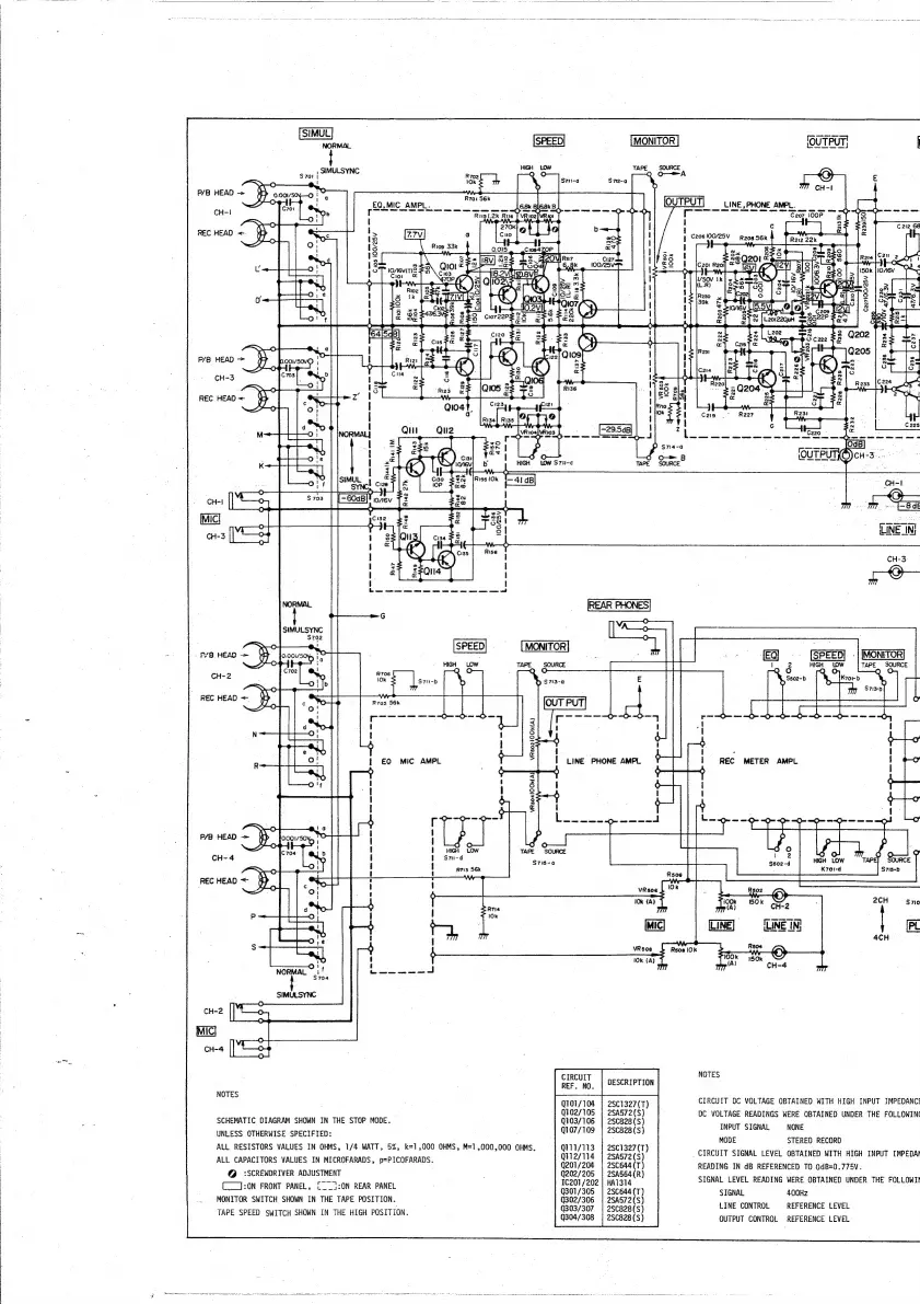
CIRCUIT
REF.
NO,
|
DESCRIPTION
NOTES
Q101/104
Qi02/105
Q103/106
Q107/109
2SC1327(T)
2SA572(S)
28€828(S)
2SC828(S)
SCHEMATIC
DIAGRAM
SHOWN
IN
THE
STOP
MODE.
UNLESS
OTHERWISE
SPECIFIED:
ALL
RESISTORS
VALUES
IN
OHMS,
1/4
WATT,
5%,
k=1,000
OHMS,
M=1,000,000
OHMS.
ALL
CAPACITORS
VALUES
IN
MICROFARADS,
p=PICOFARADS.
@
:SCREWDRIVER
ADJUSTMENT
(J:0N
FRONT
PANEL,
[__3:0N
REAR
PANEL
MONITOR
SWITCH
SHOWN
IN
THE
TAPE
POSITION.
TAPE SPEED
SWITCH
SHOWN
IN
THE
HIGH
POSITION.
gii1/113
|
28c1327(T)
Qii2/114.
|
2SA572(S)
201/204
|
28c644(T)
202/205.
|
2SA564(R)
1€201/202
|
HA1314
9301/305
|
28C644(T)
302/306
|
2SA572(S)
303/307
|
2SC828(S)
304/308
|
28c828(s)
Rsoe
10k
NOTES
CIRCUIT
DC
VOLTAGE
OBTAINED
WITH
HIGH
INPUT
IMPEDANC!
DC
VOLTAGE
READINGS
WERE
OBTAINED
UNDER
THE
FOLLOWIN(
INPUT
SIGNAL
NONE
MODE
STEREO
RECORD
_
CIRCUIT
SIGNAL
LEVEL
OBTAINED
WITH
HIGH.
INPUT
IMPEDAI
READING
IN
dB
REFERENCED
TO
OdB=0.775V.
SIGNAL
LEVEL
READING
WERE
OBTAINED
UNDER
THE
FOLLOWII
SIGNAL
400Hz
LINE
CONTROL
REFERENCE
LEVEL
OUTPUT
CONTROL
REFERENCE
LEVEL

Other manuals for Teac A-3340S

Related product manuals