EasyManua.ls Logo

Teac A-3340S - Exploded Views and Parts List; Mainchassisgroup

Teac A-3340S
64 pages
Print Icon
To Next Page IconTo Next Page
To Next Page IconTo Next Page
To Previous Page IconTo Previous Page
To Previous Page IconTo Previous Page
Loading...
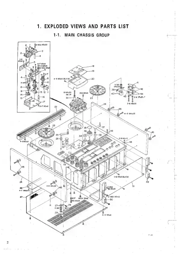
1.
EXPLODED
VIEWS
AND
PARTS
LIST
MAIN
CHASSIS
GROUP
1-1.
.
f
P;
v8
ae
f
f
?
S
5
ge
e
/
é
ri
w
Y
—_.
dena
b
g
\
/
,,
;
if
5}
7
o
=
;
f
Sar}
4
w
;
¢
BM4xt2
6-68
M3x6
2-BSA
M3x20
OL

Other manuals for Teac A-3340S

Related product manuals