EasyManua.ls Logo

Teac A-3340S - Page 63

Teac A-3340S
64 pages
Print Icon
To Next Page IconTo Next Page
To Next Page IconTo Next Page
To Previous Page IconTo Previous Page
To Previous Page IconTo Previous Page
Loading...
24
C306
£2
2!
©
=
C307
cut
[TAPE
SPEEDI
t
[2]
bs) fo)
O
4
"0
K7a
i
f
CRa04
OT
OT
Si4a
10308
$
38
oY,
143
Bue.
Hz
SW,
Ri
JOO(SOHA)
'
ORG
JA
rep
_(5.3+07Zpkx2
:
2
RIGHT
M3
mt
Cae
|
M1
CAPSTAN
é
Cs
MOTOR
vv
2+0.8y
Sizb
GRY\
99
dy
YEL
are
QE
REEL
MOTOR
LEFT
-
REEL.
MOTOR
iy
as
[36
[SELECTOR}
a
ttn
Q
[FUSE]
29]
|
ea
C)
2A
fe
,
2
[se
BOWER
ra
i
[10]
yO
POWER
er
:
1I7V__
Tl
_27vx2
11.5Vx2
j
2
3
4
5
6
7
8
9
10
ie
fREMOTE/TIMER
|
L__CONTROL___§
Co
2.2/50V
K3
(REWIND)
CRios
S-078
W7V_
Ti
27Vx2
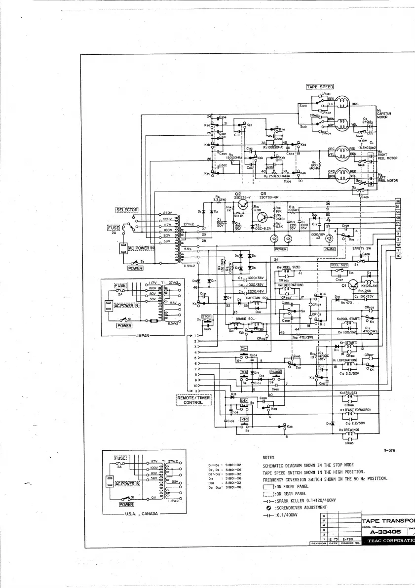
NOTES
ee
eee
SCHEMATIC
DIAGRAM
SHOWN
IN
THE
STOP
MODE
D7,
De
;
SiBdr-O06
De~o1r
:
Si1B0l-02
TAPE
SPEED
SWITCH
SHOWN
IN
THE
HIGH
POSITION.
BOWES
IK
be
sve
etaciece
FREQUENCY
COVERSION
SWITCH
SHOWN
IN
THE
50
Hz
POSITION.
oa
Da
Dz:
SIBOIl-06
[-__]:0N
FRONT
PANEL
r777T:0N
REAR
PANEL
BOWER]
—=4)-:SPARK
KILLER
0.1+120/400WV
©
:SCREWDRIVER
ADJUSTMENT
US.A.
,
CANADA
pea
caer
ain
=
[rare
TRANSPO!
ee
eee
3
HEE
El
eee
ara
a-ssa0s_|~
[+
[ie
7-780
TEAC
CORPORATIO
_[revicion
[oars
|

Other manuals for Teac A-3340S

Related product manuals