EasyManua.ls Logo

Teac A-450 - Page 34

Teac A-450
58 pages
Print Icon
To Next Page IconTo Next Page
To Next Page IconTo Next Page
To Previous Page IconTo Previous Page
To Previous Page IconTo Previous Page
Loading...
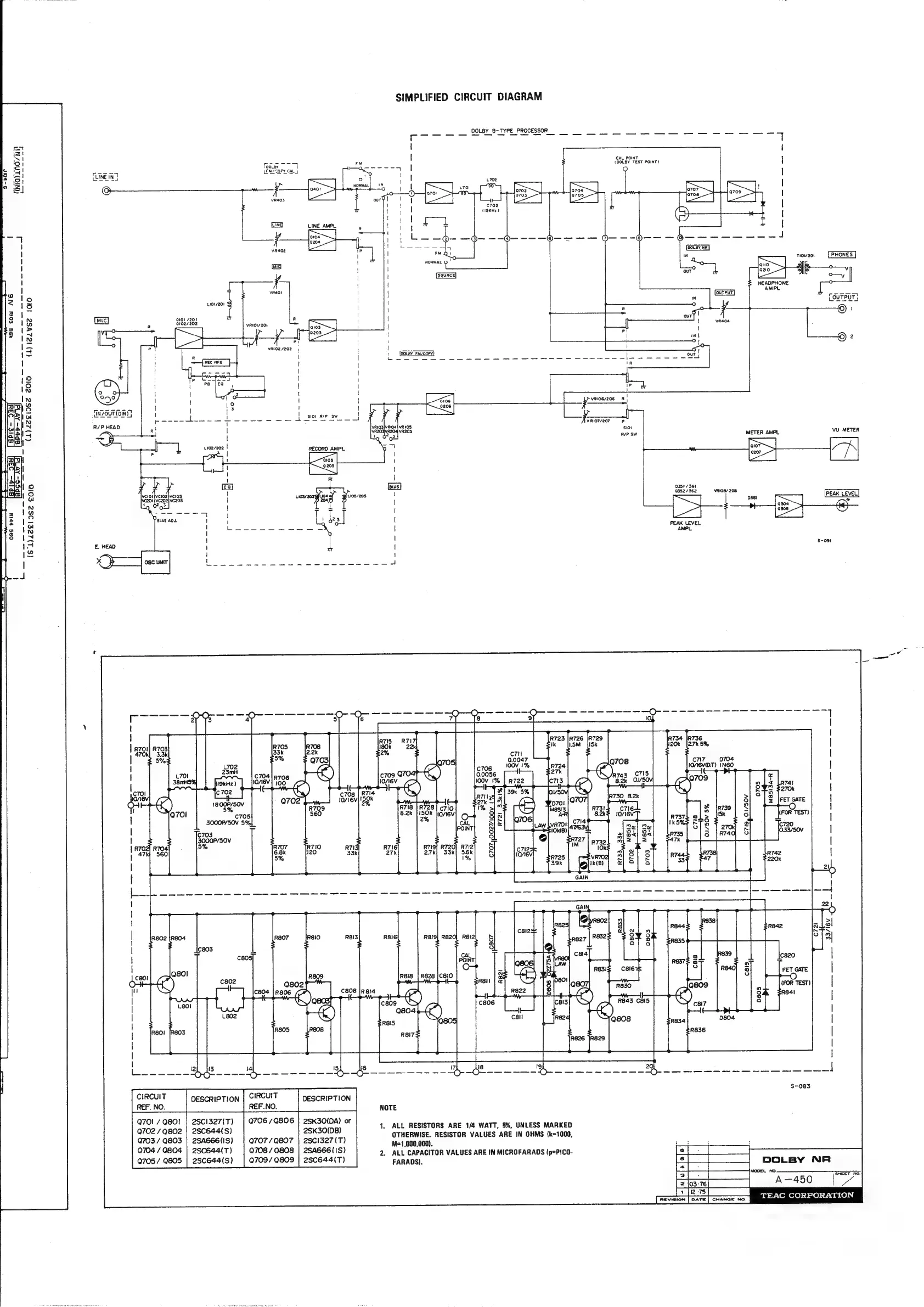
SIMPLIFIED
CIRCUIT
DIAGRAM
DOLBY
B-TYPE
PROCESSOR
fee
St
gy
en
et
Se
Re
eg
gee
oy
eee
7
Ny
oN
CAL
POINT
~-=---
(DOLBY
TEST
POINT)
Toou
4
LEMZEOPY
CAL
|
fvrarn6,
ma)
A
Z2!
Sek
vR403,
C702
(gH)
1
|
|
|
;
i
©
H
2
2)
|
3
1017201
j
ss
=~
3
Nn
Qi01
s201
a
2
Q102/202
VRIO1/201
H
"is
es
|
:
-
1
H
=
a]
vaioz/20z
|,
!
!
~
7
|
|
te
|
|
es
|
|
bal
|
P>)
l,
oe
!
|
8
|
i
|
1
°
|
2
I
1
o
2
'
1
——-
a}
+
%
:
1
|
&
206
{
=
|
\
y
Pry
1
Siol
R/P
Sw
fe
al
In
r
me
Pies
Seae
Be
e
e
41—--->---—-
a
|
a
?
ms
R/P
HEAD
a!
VR
hale
Stor
VU
METER
!
R203VRZ0
5
q
cay
1g
O8o3
R/P
SW
METER
AMPL
41027202
0351/36!
0352
/362
vRI08/208
VC101
[vC102|VCIO3
PEAK
LEVEL
20!
|ve202|vc203
0361
|
~
9304
hey
YY
Sm
oe
pay
eu
BIAS
OV.
O9S
void
2
°
a
x)
a
ts)
a
ix)
N
a
n
p--=
=<}
=F
=
g
3
tT
8
8
L--~-—~-~~-f]----4
0705
c708
|
R714
1SOk
1O/16V)
3%
MB5I3A-R
2
‘s
N
x
CIRCUIT
Description
|
CIRCUIT
—_|
pescRIPTION
REF.
NO.
REF.NO.
a701
/
9801
|
28c1327(T)
|
9706/0806
|
2sk30(DA)
or
9702
/Q802
|
28¢644(s)
2SK30(08)
@703/
9803
|
2sn666(1S)
|
0707/0807
|
2SC1327(T)
pd
ria
OST
OROS
|
ESCoaN
Tt,
||
G08
70808.
eonpeetlS
ALL
CAPACITOR
VALUES
ARE
IN
MICROFARADS
(p=PICO-
9705
/
9805
|
28c644(s)
|
0709/0809
|
2sc644(T)
FARADS).
1,
ALL
RESISTORS
ARE
1/4
WATT,
5%,
UNLESS
MARKED
OTHERWISE.
RESISTOR
VALUES
ARE
IN
OHMS
(k=1000,

Other manuals for Teac A-450

Related product manuals