EasyManua.ls Logo

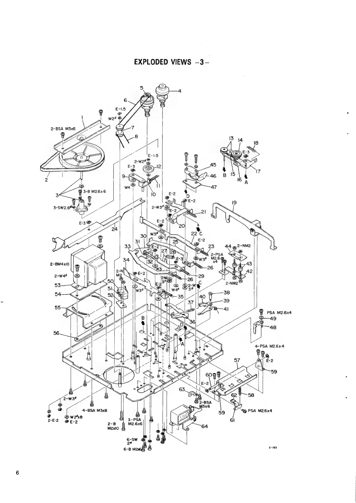
Teac A-450 - EXPLODED VIEWS -3-

Teac A-450
58 pages
Print Icon
To Next Page IconTo Next Page
To Next Page IconTo Next Page
To Previous Page IconTo Previous Page
To Previous Page IconTo Previous Page
Loading...
EXPLODED
VIEWS
—3—
@
Psa
M26x4
4
4-PSA
M2.6x4
E-193
+
)ppe
a
a
a
a
Se

Other manuals for Teac A-450

Related product manuals