EasyManua.ls Logo

Teac A-R650mk2 - Anschlüsse

Teac A-R650mk2
88 pages
Print Icon
To Next Page IconTo Next Page
To Next Page IconTo Next Page
To Previous Page IconTo Previous Page
To Previous Page IconTo Previous Page
Loading...
42
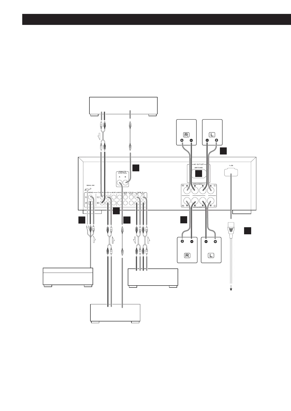
Anschlüsse
ACHTUNG:
< Schalten Sie vor dem Herstellen von Verbindungen alle Geräte aus.
<
Lesen und beachten Sie die Hinweise in den Bedienungsanleitungen aller Komponenten, die Sie am A-R650MK" betreiben möchten.
< Achten Sie bitte auf korrekten Anschluss aller Steckverbindungen.
Audiosignalkabel sollten nicht mit Netz- oder Lautsprecherkabeln gebündelt verlegt werden, da anderenfalls Interferenzen auftre-
ten können.
PHONO q Plattenspieler
TUNER q Tuner (T-R650/T-R650DAB)
CD q CD-Player (CD-P650)
AUX1/AUX2 q analoge Audiokomponenten, usw.
TAPE1/CD-R q Kassettendeck, CD-Recorder, usw.
TAPE2 q Kassettendeck
Wandsteckdose
RL
LR
RL
RL
Plattenspieler Cassetten Deck
Lautsprechersysteme B
TUNER (T-R650/T-R650DAB)
A-R650MK"
LINE
OUT
LINE
OUT
LINE
OUT
LINE
IN
REMOTE
CONTROL
REMOTE
CONTROL
Lautsprechersysteme A
CD-Player (CD-P650)
D
E
E
F
C
C
B
A

Table of Contents

Related product manuals