EasyManua.ls Logo

Teac A-R650mk2 - Aansluitingen

Teac A-R650mk2
88 pages
Print Icon
To Next Page IconTo Next Page
To Next Page IconTo Next Page
To Previous Page IconTo Previous Page
To Previous Page IconTo Previous Page
Loading...
66
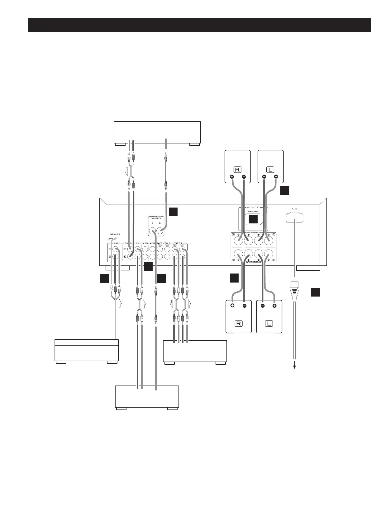
Aansluitingen
LET OP:
<
Raadpleeg van te voren de handleidingen van de componenten die u op het apparaat aan wilt sluiten.
< Zorg voor een correcte aansluiting van alle verbindingskabels.
< Bundel audiosignaalkabels niet met netstroom- of luidsprekerkabels om ongewenste interferentie te voorkomen.
PHONO q Platenspeler
TUNER q Tuner (T-R650/T-R650DAB)
CD q CD speler (CD-P650).
AUX1/AUX2 q Audio component, enz.
TAPE1/CD-R q Cassettedeck, CD recorder, enz.
TAPE2 q Cassettedeck
RL
LR
RL
RL
TUNER (T-R650/T-R650DAB)
A-R650MK"
LINE
OUT
LINE
OUT
LINE
OUT
LINE
IN
REMOTE
CONTROL
REMOTE
CONTROL
D
E
E
F
C
C
B
A
Luidsprekers A
Luidsprekers B
Stopcontact
Cassettedeck
CD-speler (CD-P650)
Platenspeler

Table of Contents

Related product manuals