EasyManua.ls Logo

Teac A-R650mk2 - Collegamenti

Teac A-R650mk2
88 pages
Print Icon
To Next Page IconTo Next Page
To Next Page IconTo Next Page
To Previous Page IconTo Previous Page
To Previous Page IconTo Previous Page
Loading...
54
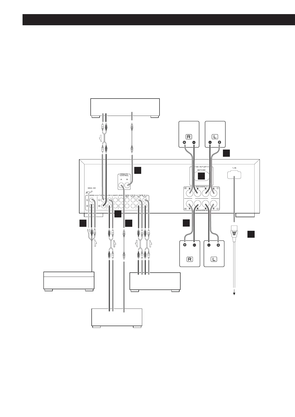
Collegamenti
PHONO q Giradischi
TUNER q Sintonizzatore (T-R650/T-R650DAB)
CD q Lettore di CD (CD-P650)
AUX1/AUX2 q Componenti audio, ecc.
TAPE1/CD-R q Registratore a Cassette, Registratore CD, ecc.
TAPE2 q Registratore a Cassette
ATTENZIONE:
< Prima di eseguire i collegamenti, spegnete tutti gli apparecchi.
< Leggete le istruzioni relative a ciascun componente che intendete utilizzare con questa unità.
< Accertatevi quindi di inserire saldamente nella presa di rete le relative spine. Al fine di prevenire ronzii e
rumore, evitate di raggruppare i cavi dei segnali di interconnessione con quello di alimentazione o con i
cavi degli altoparlanti.
Presa di corrente
RL
LR
RL
RL
Giradischi Piastra a cassette
Diusori B
Sintonizzatore (T-R650/T-R650DAB)
A-R650MK"
LINE
OUT
LINE
OUT
LINE
OUT
LINE
IN
REMOTE
CONTROL
REMOTE
CONTROL
Diusori A
Lettore CD (CD-P650)
D
E
E
F
C
C
B
A

Table of Contents

Related product manuals