EasyManua.ls Logo

Teac A-R650mk2 - Anslutning

Teac A-R650mk2
88 pages
Print Icon
To Next Page IconTo Next Page
To Next Page IconTo Next Page
To Previous Page IconTo Previous Page
To Previous Page IconTo Previous Page
Loading...
78
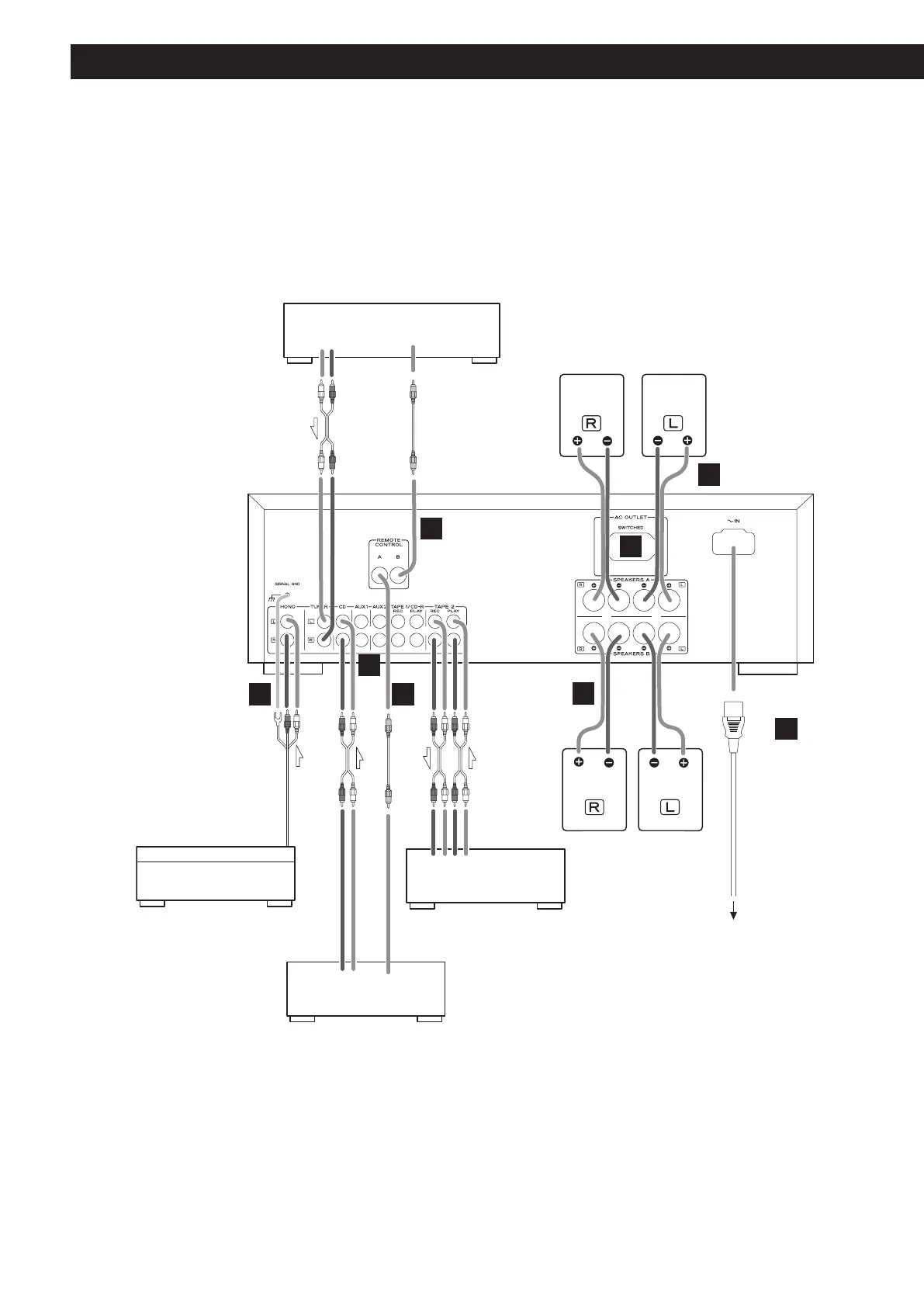
Anslutning
FÖRSIKTIGHET:
> Stäng av strömmen till all utrustning innan du gör anslutningar.
> Läs instruktionerna av varje komponent som du vill använda med denna enhet.
> Var noga med att sätta in varje kontakt ordentligt. För att förebygga buller, undvik att bunda ihop signa-
lanslutningskablar tillsammans med nätsladden eller högtalarnas kablar.
PHONO q Skivspelare
TUNER q Kanalväljare (T-R650/T-R650DAB)
CD q CD-spelare (CD-P650)
AUX 1/AUX 2 q Ljudkomponent, etc.
TAPE1/CD-R q Kassettdäck, CD-brännare etc.
TAPE2 q Kassettdäck
RL
LR
RL
RL
TUNER (T-R650/T-R650DAB)
A-R650MK"
LINE
OUT
LINE
OUT
LINE
OUT
LINE
IN
REMOTE
CONTROL
REMOTE
CONTROL
D
E
E
F
C
C
B
A
Högtalare A
Luidsprekers
BHögtalare
Vägguttag
Kassettdäck
CD-spelare (CD-P650)
Skivspelare

Table of Contents

Related product manuals