EasyManua.ls Logo

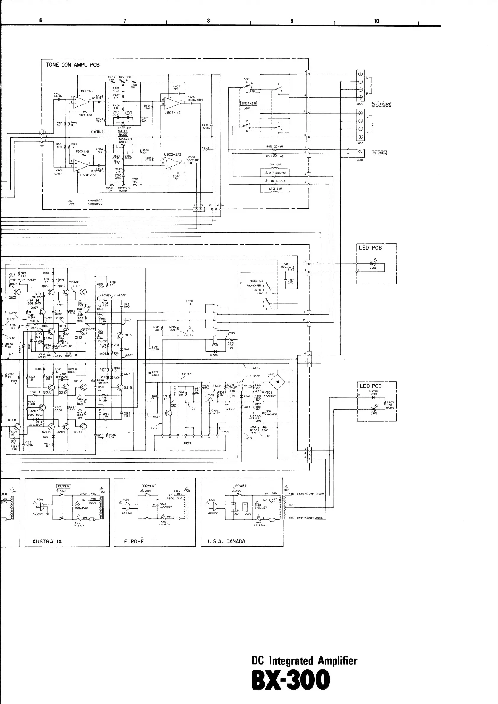
Teac BX-300 - DC Integrated Amplifier BX-300 Schematic; Tone Con Ampl PCB Schematic; Main PCB Schematic; LED PCB Schematic

Teac BX-300
35 pages
Print Icon
To Next Page IconTo Next Page
To Next Page IconTo Next Page
To Previous Page IconTo Previous Page
To Previous Page IconTo Previous Page
Loading...
TONE
CON
AMPL
PCB
z
=
gemma
|
©
R405
R6OI-1/2
L
750
50k(B)
A
©)
]
I
R409
vo
°
A
iz)
gaor
>
:
u6OI-1/2
4
i
©
fl
401
ea
|
1o/1ev
8
£403
:
°
5
c408
g
VIER)
le
8
7
|
loviev
(BP)
\
2)
Bae
a
a
[SPEAKER
yooz
|
SPEAKERS,
220k
oe
eee
eee
rigid
—1/,
#
|
R403.
5.6k
!
vEvEMe
i
u
R404
R408
i
1
22k
22k
|
©)
R401
R402
330k
Ik
ee
=
:
a
:
i
|
R6e02-1/2
1/50V
©)
Ch
TREBLE
|
50k(B)
o—
7
his
!
|
[BASS]
0
®
|
R602-2/2
50k(
B)
J003
R411
120
(iW)
"
R504
—W—
~0-
203
ta
“|
(PHONES!
—~
AW
>
hele
ia
em
RII
120
(1W)
°
eure
1O/I6V
(BP)
yoo!
L501
2pH
i
eve)
A
10716
AXR5I2
10(172W)
6
U60I-2/2
Ww
he:
A\R4l2
1001/2)
5
R505
750
R6OI-2/2
50k
(8)
NJM4559DD
NJM4559DD
wv
L401
2pH
DIO!
+0,02V_-
+0,02V
R142
c123
O
|.8k
0.001
TPHI
D102
0103
Qio7
©)
RI30
1k(B)
TP-5
I
|
RI31
Ik
TP-2
jt
Oria1
ie
:
1.8k
ah
G
Nf
Sean
ae
4
WW
=
2
Y
[
|
R303
2.7k
|
yy
1a
;
0902
T
|
a
|
303
PHONO-MC
a
PHONO-MM
o
TUNER
0
|
AUX
©
i
é
Ned
'
2
|
LED
PCB.
|
IS2471HJ
1
0903
RI45
R245
120k
120k
TP-6
tha
I]
+O15V
|
ciz2
0.068
0306
]
~
=
40.6
c222
+0,
0.068
O,F2V.
ra
+ao.ry
9302
'
if
8309
ty
:
R308
+4,0V
+/6,4V
A\$R304
3
C311
F
150k
1.5k(2W)
A
360
S
|R3i3
fov
T
R307
J
45310
(2)
=
c304
R323
|raiis
*
[59
c309
18k
|
Liev
303
£306
|4700/50v
10k
27k
(08,
i906
R230
eh
:
Tk
307
a
e
Nov
8.4V
0304
IOP
+8,
Q207
(e)
C305
|
0202
0203
WS
'4700/50V
+40,5V
Ask3oe
(aw)
+hov
ry
lan
L
‘i
Say
R306
|
0305
c2i8
SR236
$—4—4—-4—_4
2
Tioop
7
15k
1
6
4
2 3
-1e7v
154
I
U303
sto]
415]
12]
POWER
240v_
TOO!
A\soo1
TOO!
RED
NC
BRN RED
29.8VAC(Open
Circuit)
ie
220v__VI0
A
220V
A
oor
BLK
0.01/450V
A
WHT
FOO!
1A/250V
AC
220V
EUROPE
AUSTRALIA
ACHI7V
1A/250V
U.S.
FOO!
2A/250V
A.,
CANADA
RED
29.8VAC(Open
Circuit)
DC
Integrated
Amplifier
BX-300

Related product manuals