EasyManua.ls Logo

Teac BX-500 - Block and Level Diagrams

Teac BX-500
35 pages
Print Icon
To Next Page IconTo Next Page
To Next Page IconTo Next Page
To Previous Page IconTo Previous Page
To Previous Page IconTo Previous Page
Loading...
BX-500/BX-300
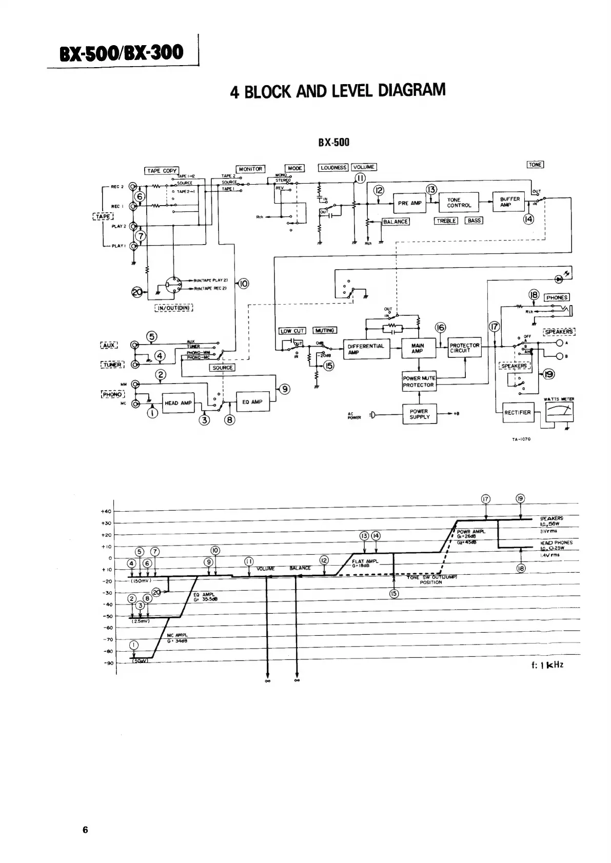
4
BLOCK
AND
LEVEL
DIAGRAM
BX-500
[MONITOR
]
TAPE
2,
[move]
[Louoness]
[VOLUME
]
TONE
CONTROL
BUFFER
BALANCE
Roh(
TAPE
PLAY
2)
Reh
TAPE
REC
2)
PROTECTOR
CIRCUIT
1
Sa
eta
ae;
4
PHONO
|
MC
WATTS
METER
COPPLY
+8
RECTIFIER
paral
TA-1070
+40
+30
F
SPEAKERS:
60,
S5W
#20:
avems
*10-F
;
HEAD
PHONES
+
$0.0:25W.
oT
Ul
Lavems
FLAT
AMPL
t
+10
=
1808
r
ecesevred
~20
|
“TONE
SW
OUTRUNPY
POSITION
=80)
£0
AMPL
G2
35.508
~a0
-50
ea:
-60
-70
+
-80
|
-90
|
f:
1
KHz

Related product manuals