EasyManua.ls Logo

Teac PD-D2410 - Connections

Teac PD-D2410
64 pages
Print Icon
To Next Page IconTo Next Page
To Next Page IconTo Next Page
To Previous Page IconTo Previous Page
To Previous Page IconTo Previous Page
Loading...
10
DIGITAL IN
(OPTICAL)
DIGITAL IN
(COAXIAL)
LR
LINE IN
A
C
B
ENGLISH
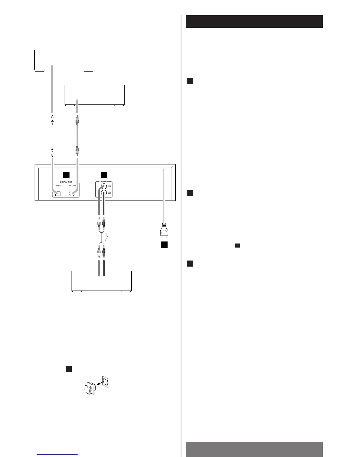
Connections
< Turn off the power of all the equipment before making
connections.
<
Read instructions of each component you intend to use with
PD-D2410.
LINE OUT jacks
Connect the LINE OUT jacks to the amplifier by audio signal
connection cords.
LINE OUT w CD IN
<
Make sure to connect:
white plug w white jack (L: left)
red plug w
red jack (R: right)
<
Be sure to insert each plug securely. To prevent hum and
noise, do not bundle the connection cords with the power
cord or speaker cord.
DIGITAL OUT terminals
Connect the component with coaxial cables or optical
cables.
DIGITAL OUT w DIGITAL IN (MD, etc.)
<
When using DIGITAL OPTICAL OUT terminals, remove the
caps from the terminals. When you do not use them, leave
the caps in place:
AC Power Cord
Plug this AC power cord into an AC wall socket.
C
D
B
A
Amplifier
Amplificateur
Amplificador
MD, CD-R, DAT, etc.
D

Related product manuals