EasyManua.ls Logo

Teac PD-D2410 - Anschluß

Teac PD-D2410
64 pages
Print Icon
To Next Page IconTo Next Page
To Next Page IconTo Next Page
To Previous Page IconTo Previous Page
To Previous Page IconTo Previous Page
Loading...
DEUTSCH
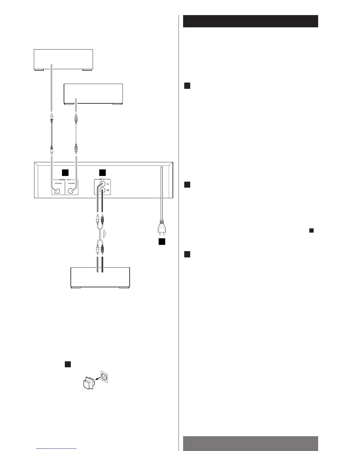
Anschluß
40
< Schalten Sie alle Geräte ab, bevor Sie Anschlüsse
vornehmen.
<
Lesen Sie die Bedienungsanleitungen zu allen Geräten, die
Sie zusammen mit dem PD-D2410 verwenden wollen.
LINE OUT Buchsen
Verbinden Sie diese Buchsen mit dem Verstärker mit Hilfe
des Audio Kabels.
LINE OUT w CD IN
<
Stellen Sie die Verbindung sicher:
Weißer Stecker w Weiße Buchse (links)
Roter Stecker w
Rote Buchse (rechts)
<
Stellen Sie sicher, daß alle Stecker fest eingesteckt sind.
Um Brummen und Geräusche zu verhindern, dürfen die
Anschlußkabel nicht mit dem Strom- oder
Lautsprecherkabel gebündelt werden.
DIGITAL OUT Buchsen
Schließen Sie an den jeweiligen Eingängen des Gerät
entweder koaxiale oder optische Kabel an.
DIGITAL OUT w DIGITAL IN (MD, usw.)
<
Sofern Sie die DIGITAL OPTICAL OUT-Anschlüsse
verwenden, entfernen Sie bitte zuvor die Schutzkappen:
Netzsteckdose
Stecken Sie den Netzstecker in eine Netzsteckdose.
C
D
B
A
DIGITAL IN
(OPTICAL)
DIGITAL IN
(COAXIAL)
LR
LINE IN
A
C
B
Verstärker
Amplificatore
Versterker
MD, CD-R, DAT, etc.
D

Related product manuals