EasyManua.ls Logo

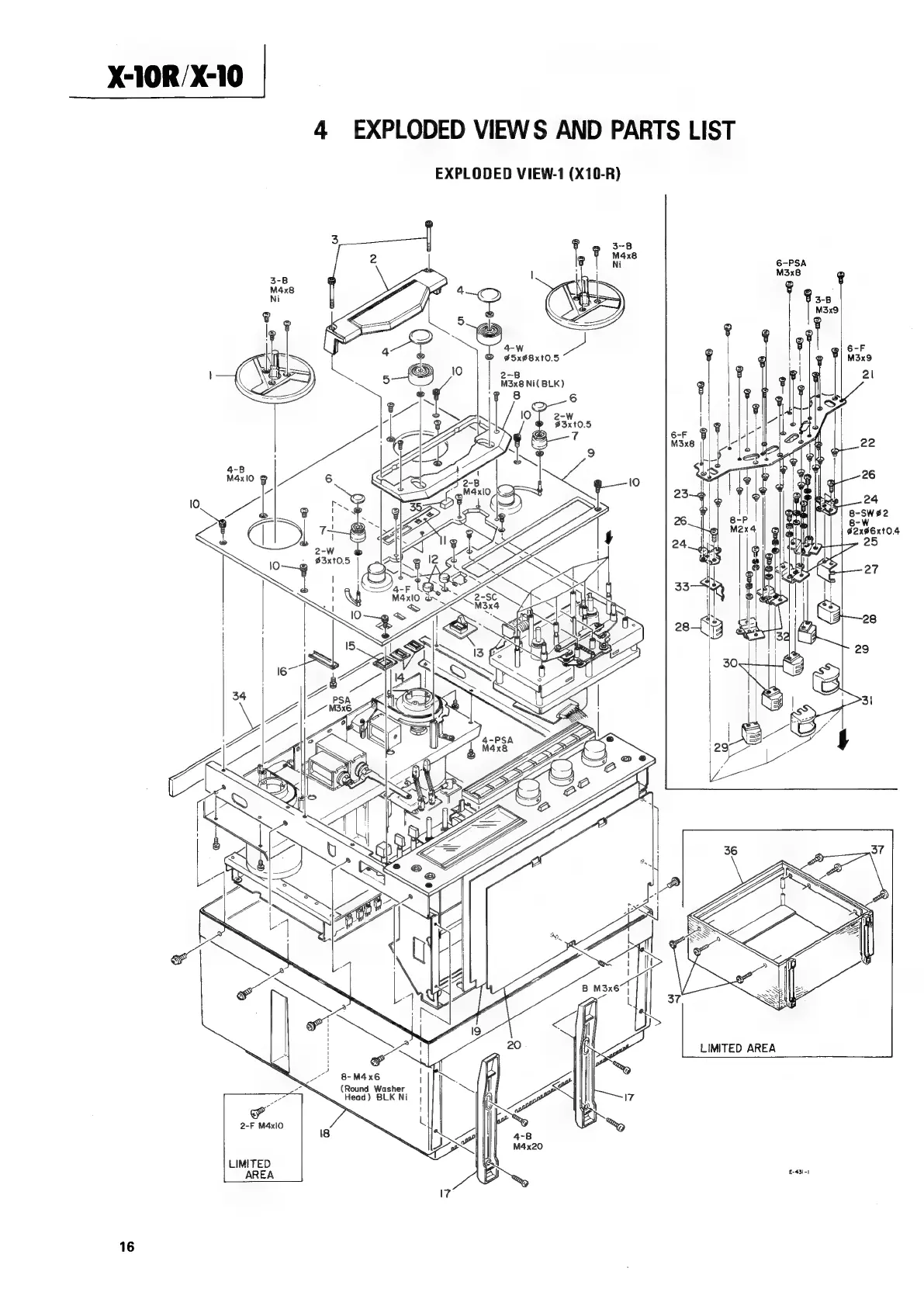
Teac X-10 - 4 EXPLODED VIEWS AND PARTS LIST; EXPLODED VIEW-1 (X10-R)

Teac X-10
66 pages
Print Icon
To Next Page IconTo Next Page
To Next Page IconTo Next Page
To Previous Page IconTo Previous Page
To Previous Page IconTo Previous Page
Loading...
X-10R/X-10
4
EXPLODED
VIEWS
AND
PARTS
LIST
EXPLODED
VIEW-1
(X10-R)
4-W
G5xO8xtO.5
2-8
M3x8
Ni(
BLK)
/y
LS
5
y
<
\
BO
A\,
8
V
\
!
EN
>
LS
x
te
\
\)
q
7
7
QW
:
vA)
XS
.
Y
LIMITED
AREA
SSSaatsstetny
2-F
M4xl0
LIMITED
AREA
16

Other manuals for Teac X-10

Related product manuals