EasyManua.ls Logo

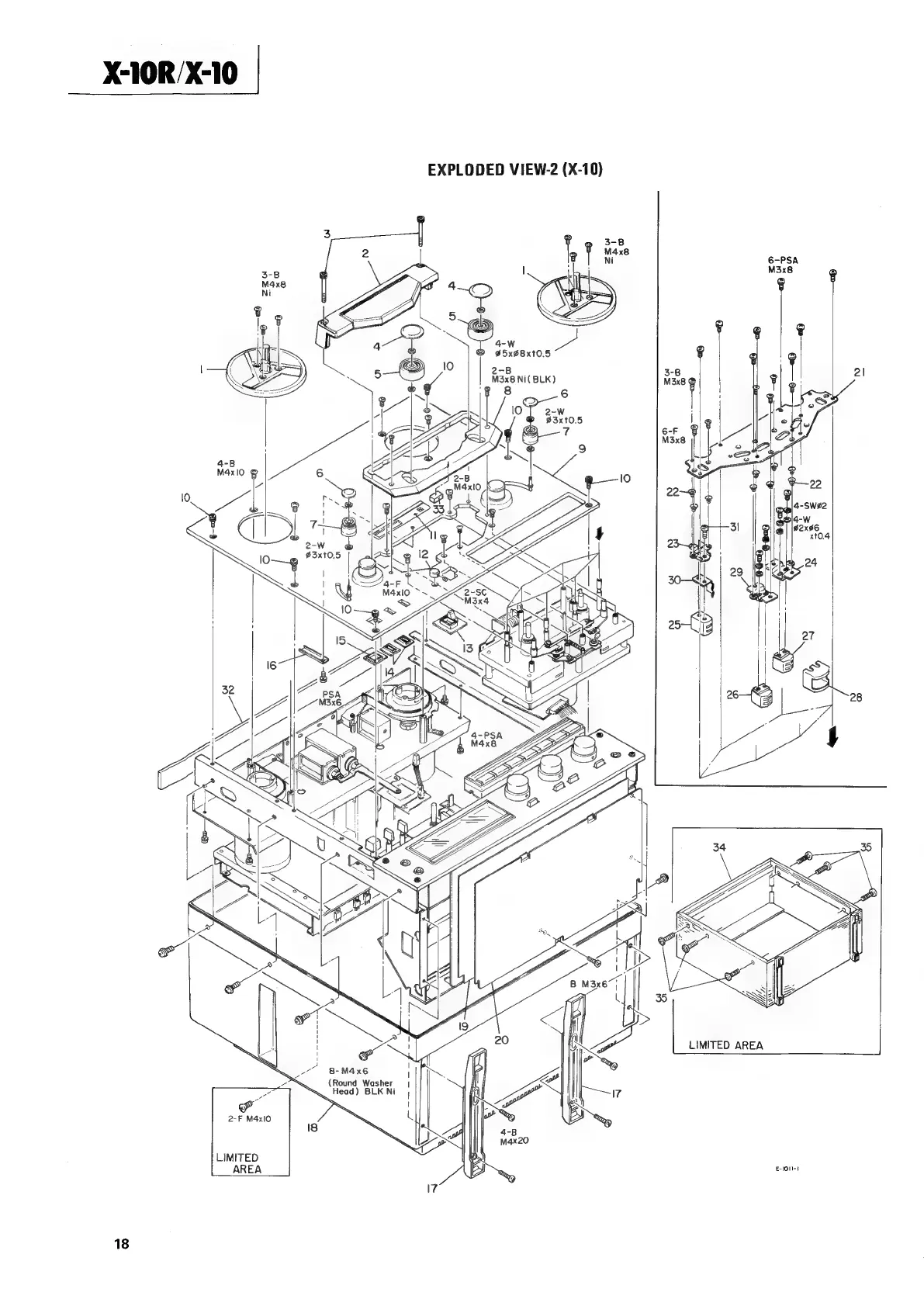
Teac X-10 - EXPLODED VIEW-2 (X-10)

Teac X-10
66 pages
Print Icon
To Next Page IconTo Next Page
To Next Page IconTo Next Page
To Previous Page IconTo Previous Page
To Previous Page IconTo Previous Page
Loading...
X-10R/X-10
EXPLODED
VIEW-2
(X-10)
LIMITED
AREA
18

Other manuals for Teac X-10

Related product manuals