EasyManua.ls Logo

Teac X-10 - Page 35

Teac X-10
66 pages
Print Icon
To Next Page IconTo Next Page
To Next Page IconTo Next Page
To Previous Page IconTo Previous Page
To Previous Page IconTo Previous Page
Loading...
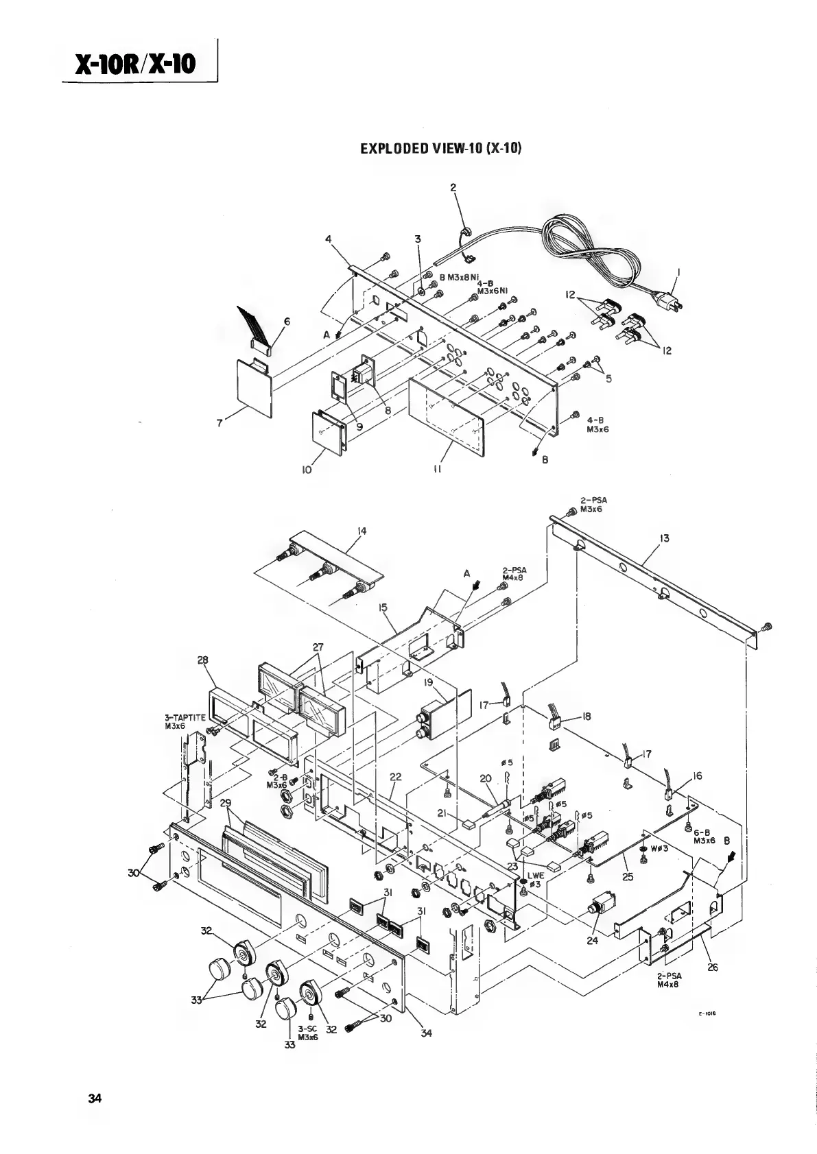
X-10R/X-10
EXPLODED
VIEW-10
(X-10)

Other manuals for Teac X-10

Related product manuals