EasyManua.ls Logo

Teac X-10 - MIC AMP PCB; REC AND PLAY AMPL PCB; IN;OUT PCB; VR PCB

Teac X-10
66 pages
Print Icon
To Next Page IconTo Next Page
To Next Page IconTo Next Page
To Previous Page IconTo Previous Page
To Previous Page IconTo Previous Page
Loading...
X-10R
X%10R
X-10R
_—X-10R
7
8
9
10
11
12 13
14
WwW
Ze
*
ae
ee
rw
wo
“s
ry
]
i
N
R41
Q313
ry
3
2354
12.8V
.
af
\
©
Ii
:
R412
Sd
|
2.
2k
R414
C395
|
ieee
58
|
wesese
A
a
0.001
i
r
OF
6,
aia
.
wait
Yi
|
eR
rae
earn
Be
e;
6.8V
Ik
z
3mH
ee
be
is
es
Aiss.2|
a
ce?
|
42
2
1
4i!
R4I5
‘oortev
SRBLaL
yy)
|
Rk
0V
2.2k
=
0309
a
EQA-O1-06S
=
fe)
a
ah
=
Reh!
|N/OUT
25
es
g
PCB
(2/2)
3
a8
=
0.1V
y30!
nv
S
i
-
C38!
10/16V
[30%
°
|
PHONES
'
2
PY
a
383
pe
|
385
47/6.3V
i20p
mais
8
t
8
Ph
R385
100/10V
Reh
:
150
|/.3V
~c3g7
o
R38
2200
R08
5
g
56k
Sq
]R403
50018)
Na
3
EF
M301
=o
ig
OM
l
aed
$
8
5
oe
5.9V
=
9
2
G
€399
D301
301
_
7
:
2)
4.7/25V
IN6O
24}
(28)
Hee
&
5
&
3
_—:
e)
roa
R401
304,
©
R399
40303
ee
ore
R435
C403
ue
.
40
2.7k
10k
J
INGO
|
Cae
a!
-_—
t
=
=>
a
oS,
P303
|
4303
<q
ge
(8)
6
6
|(8)
oc
7
=
(7)
5
5
|(7)
$=
FWD
=
s
ope
e
oe
- |
Sf
ee
-—
-—
coo
1S)
3-6
a
ai
9
F379
ry
9
REC
HEAD
©
3]
&
REV
2
fed
n
Z
ip
Sacer
Races
Panes
ee
zZ
Ww Ww
FWD
ob)
S|
a!
le
28
3]
ERASE
HEAD
oO
3
zo
REV
al
roy
2
8
co
1
1
=
=
(EK,
5
i
1Zo1
4
FA!)
{Oo
SPEED:
HIGH)
|
pine
ogc
iBo#
C305
4.7/25V
UNIT
L-c4J
4
0.7V
a
sara
hee
ee
R802
C450
z
z
;
10k
<5
Pf
ne
S
10/25V
wo
w
a=
'
TO
Ze
3
25
=
ZV)
Reh
Rch
CONTROL
23
5
og
S
Q330
SECTION
4
zn
al
a
pare)
ao
©)
:
.
=
0.7
=
a
re)
e
C
fo}
ic
:
z
Es
os
@
10.7V
a
5
2
(REC
SIG.
ON)
30
9
Se
ee
ir]
a)
a
no]
5
=
§
zm
=
a
£o
=
2
=
=
coe
a
of
oS
gs
wes
=
25
|
Bre
28
5
z
aa
oS
eae
ee
a
uw
2
Ww
@
val,
)
ct
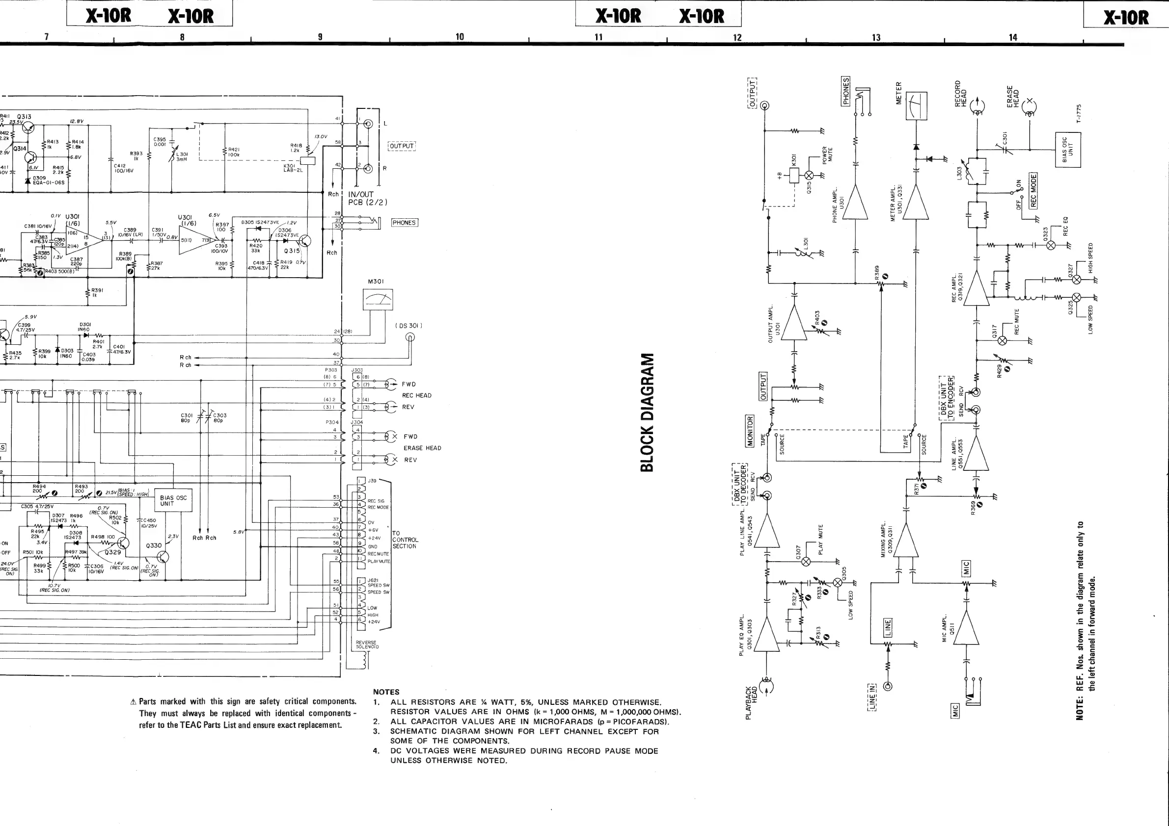
NOTES
o3\4
ee
A
Parts
marked
with
this
sign
are
safety
critical
components.
1.
ALL
RESISTORS
ARE
%
WATT,
5%,
UNLESS
MARKED
OTHERWISE.
or
a
%
g
eS
They
must
always
be
replaced
with
identical
components
-
RESISTOR
VALUES
ARE
IN
OHMS
(k=
1,000
OHMS,
M
=
1,000,000
OHMS).
=
=
=]
2.
ALL
CAPACITOR
VALUES
ARE
IN
MICROFARADS
(p
=
PICOFARADS).
SCHEMATIC
DIAGRAM
SHOWN
FOR
LEFT
CHANNEL
EXCEPT
FOR
SOME
OF
THE
COMPONENTS.
4.
DC
VOLTAGES
WERE
MEASURED
DURING
RECORD
PAUSE
MODE
UNLESS
OTHERWISE
NOTED.
refer
to
the
TEAC
Parts
List
and
ensure
exact
replacement.

Other manuals for Teac X-10

Related product manuals